邮箱:china@gelufu.com


|
型式 |
极数 |
出力
(W) |
电压
(V) |
频率
(Hz) |
额定
时间 |
额定输出 |
启动
电流
(A) |
启动
转矩
(kgfcm) |
配合减速机 |
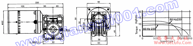
速比兴最大输出转矩(50Hz kgfcm) | ||||||||||
|
电流
(A) |
转速
(rpm) |
转矩
(kgfcm) |
7.5 |
10 |
15 |
20 |
25 |
30 |
40 |
50 |
60 | |||||||||
|
M-5IK60A-SFW |
4 |
60 |
220 |
50 |
CONT. |
0.46 |
1400 |
4.2 |
1.5 |
12 |
GH-030N□-K |
26 |
34 |
47 |
60 |
70 |
80 |
97 |
113 |
125 |
|
60 |
0.40 |
1675 |
3.5 |
1.4 |
8.6 | |||||||||||||||
|
M-5IK90A-SFW |
4 |
90 |
220 |
50 |
CONT. |
0.65 |
1400 |
6.3 |
2.3 |
21 |
GH-030N□-K |
39 |
50 |
71 |
90 |
104 |
120 |
145 |
165 |
165 |
|
60 |
0.56 |
1675 |
5.3 |
2.1 |
15 | |||||||||||||||