WX:grove_company
格鲁夫丝杆升降机

|
型号 |
最高
回转数
RPM |
最大孔径mm |
最小
孔径mm |
重量
kg |
润滑油重量
g |
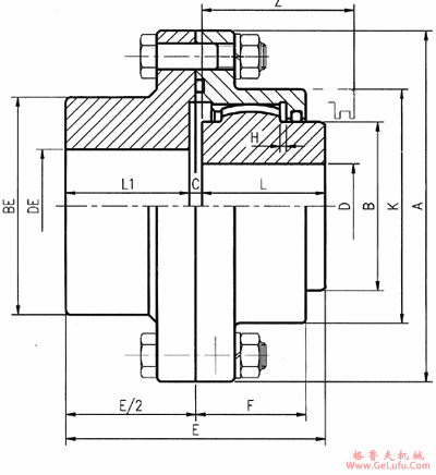
尺 寸 mm | ||||||||||||
|
挠性 |
刚性 |
L |
L1 |
C |
E |
A |
B |
BE |
F |
K |
H |
Z | ||||||
|
DY-NE10 |
12.9 |
4000 |
43.3 |
49.7 |
16 |
4.15 |
18 |
43 |
41.5 |
3 |
89 |
115.9 |
62 |
71 |
40 |
80 |
14 |
51 |
|
DY-NE15 |
32.3 |
4000 |
58.7 |
65.8 |
16 |
8.73 |
27 |
49 |
47.5 |
3 |
101 |
152.4 |
84 |
94 |
45 |
103 |
19 |
56 |
|
DY-NE20 |
56.8 |
4000 |
72.7 |
80.5 |
23 |
14.4 |
59 |
62 |
70.5 |
3 |
127 |
177.8 |
104 |
115 |
56 |
125 |
19 |
75 |
|
DY-NE25 |
93.6 |
3600 |
83.9 |
95.2 |
23 |
24.7 |
127 |
77 |
74.5 |
5 |
159 |
212.7 |
120 |
136 |
65 |
151 |
22 |
88 |
|
DY-NE30 |
165 |
3200 |
103.5 |
113.4 |
33 |
37.8 |
164 |
91 |
88.5 |
5 |
187 |
239.7 |
148 |
162 |
75 |
176 |
22 |
103 |
|
DY-NE35 |
264 |
2750 |
124.5 |
134.4 |
33 |
62.3 |
205 |
106 |
103 |
6 |
218 |
279.4 |
178 |
192 |
88 |
205 |
28 |
120 |
|
DY-NE40 |
385 |
2400 |
146.8 |
158.9 |
33 |
93.2 |
309 |
121 |
118 |
6 |
248 |
317.5 |
210 |
227 |
92 |
244 |
28 |
126 |
|
DY-NE45 |
529 |
2200 |
162.9 |
175.7 |
41 |
130 |
405 |
135 |
131 |
8 |
278 |
346.1 |
233 |
251 |
101 |
269 |
28 |
139 |
|
DY-NE50 |
686 |
2000 |
182.5 |
196.7 |
76 |
182 |
509 |
153 |
153 |
4 |
314 |
388.9 |
261 |
281 |
105 |
301 |
38 |
145 |
|
DY-NE55 |
888 |
1800 |
199.3 |
214.2 |
76 |
234 |
595 |
168 |
168 |
4 |
344 |
425.5 |
285 |
306 |
113 |
327 |
38 |
157 |
|
DY-NE60 |
1228 |
1700 |
220.2 |
235.9 |
76 |
291 |
772 |
188 |
188 |
4 |
384 |
457.2 |
315 |
337 |
126 |
358 |
25 |
176 |
|
DY-NE70 |
1623 |
1450 |
249.6 |
270.9 |
76 |
446 |
1268 |
221 |
221 |
5 |
452 |
527.1 |
357 |
387 |
131 |
416 |
28 |
183 |
|
DY-NE80 |
2243 |
1300 |
282.5 |
307.3 |
76 |
650 |
1831 |
249 |
249 |
5 |
508 |
590.6 |
404 |
439 |
140 |
474 |
32 |
196 |
|
DY-NE90 |
3041 |
1200 |
321.6 |
347.2 |
76 |
905 |
2272 |
276 |
276 |
6.5 |
565 |
660.4 |
460 |
496 |
149 |
532 |
36 |
209 |