mail:china@gelufu.com

|
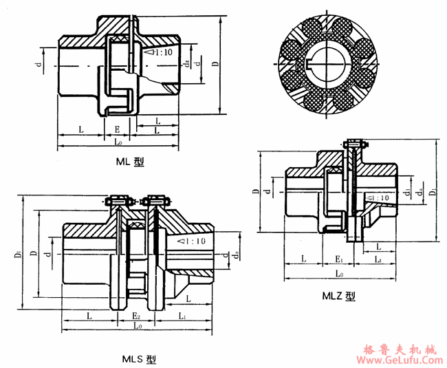
型号 |
公称转矩
Tn
n.m |
许用转速
[n]
r/min |
轴孔直径
d.d1.dz |
轴孔长度 |
尺寸 |
重量
kg | |||
|
Y.J1.Z1型 |
Z.J型 |
D |
D1 |
E E1 E2 | |||||
|
L |
L1 | ||||||||
|
ML1 |
25 |
8500 |
12~24 |
27~52 |
― |
50 |
90 |
16 |
1.06 |
|
MLZ1 |
22 |
1.67 | |||||||
|
MLS1 |
28 |
2.3 | |||||||
|
ML2 |
100 |
6900 |
20~32 |
38~82 |
― |
70 |
110 |
23 |
2.6 |
|
MLZ2 |
30 |
3.87 | |||||||
|
MLS2 |
37 |
5.13 | |||||||
|
ML3 |
140 |
6000 |
22~38 |
38~82 |
― |
85 |
125 |
24 |
3.9 |
|
MLZ3 |
32 |
5.53 | |||||||
|
MLS3 |
40 |
7.18 | |||||||
|
ML4 |
250 |
5000 |
25~42 |
44~112 |
― |
105 |
150 |
27 |
6.43 |
|
MLZ4 |
38.5 |
10.4 | |||||||
|
MLS4 |
50 |
14.24 | |||||||
|
ML5 |
400 |
4100 |
30~48 |
60~112 |
82~112 |
125 |
185 |
33 |
9.1 |
|
MLZ5 |
45 |
14.72 | |||||||
|
MLS5 |
56 |
20.35 | |||||||
|
ML6 |
630 |
3600 |
※ ※
35~42~55 |
60~112 |
82~112 |
145 |
205 |
39 |
12.19 |
|
MLZ6 |
52 |
18.94 | |||||||
|
MLS6 |
64 |
26.04 | |||||||
|
ML7 |
1120 |
3100 |
※ ※
45~48~65 |
84~142 |
112~142 |
170 |
240 |
41 |
19.92 |
|
MLZ7 |
55 |
31.29 | |||||||
|
MLS7 |
68 |
42.66 | |||||||
|
ML8 |
1800 |
2700 |
※ ※
50~55~75 |
84~142 |
112~142 |
200 |
270 |
48 |
29.7 |
|
MLZ8 |
64 |
44.41 | |||||||
|
MLS8 |
78 |
59.13 | |||||||
|
ML9 |
2800 |
2500 |
※ ※
60~65~95 |
107~172 |
142~172 |
230 |
305 |
50 |
51.58 |
|
MLZ9 |
69 |
76.26 | |||||||
|
MLS9 |
86 |
100.94 | |||||||
|
ML10 |
4500 |
2200 |
※ ※
70~85~110 |
107~212 |
142~172 |
260 |
350 |
60 |
88.68 |
|
MLZ10 |
84 |
123.24 | |||||||
|
MLS10 |
108 |
157.74 | |||||||
|
ML11 |
6300 |
1900 |
※ ※
80~95~120 |
132~212 |
172~212 |
300 |
400 |
67 |
113.21 |
|
MLZ11 |
91 |
155.08 | |||||||
|
MLS11 |
115 |
196.95 | |||||||
|
ML12 |
11200 |
1600 |
※ ※
90~125~130 |
132~252 |
172~252 |
360 |
460 |
73 |
158.1 |
|
MLZ12 |
98 |
220.72 | |||||||
|
MLS12 |
123 |
283.33 | |||||||
|
ML13 |
12500 |
1500 |
※ ※
100~140 |
167~252 |
212~252 |
400 |
500 |
73 |
177.8 |
|
MLZ13 |
98 |
241.53 | |||||||
|
MLS13 |
123 |
305.27 | |||||||