电话:0312-6784766


|
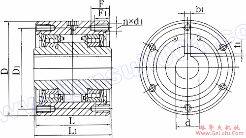
序
号 |
型号 |
公称转矩
Tn
(N・m) |
内环超越时
的极限转速
n
(r/min) |
外环外径D×宽L |
外不螺纹孔
孔数n-d
及孔深F |
外环螺纹
中心圆直径
D1 |
内环键槽
宽×深
b1×t1 |
质量
m
(kg) |
|
内环内径d×宽L1 | ||||||||
|
1 |
CKZ75×47-14 |
180 |
1500 |
75×47 |
4-M6 深12
孔深15,均布 |
61 |
5×2.3 |
1.35 |
|
14×47 | ||||||||
|
2 |
CKZ77×63-19 |
180 |
1500 |
77×60 |
4-M6 深12
孔深15,均布 |
66 |
5×2.0 |
1.50 |
|
19×63 | ||||||||
|
3 |
CKZ80×64-20 |
200 |
1500 |
80×62 |
4-M6 深12
孔深15,均布 |
68 |
5×2.4 |
1.95 |
|
20×64 | ||||||||
|
4 |
CKZ80×62-30 |
200 |
1500 |
80×62 |
键槽8×4.0(L=40) |
|
8×3.3 |
1.60 |
|
30×62 | ||||||||
|
5 |
CKZ89×70-18 |
200 |
1300 |
89×68 |
4-M8 深20
孔深25,均布 |
73 |
6×2.8 |
2.00 |
|
18×70 | ||||||||
|
6 |
CKZ100×64-20 |
260 |
1200 |
100×64 |
6-M8 深15
孔深20,均布 |
88 |
8×3.3 |
2.50 |
|
20×64 | ||||||||
|
7 |
CKZ100×64-24 |
260 |
1200 |
100×64 |
6-M8 深15
孔深20,均布 |
88 |
8×3.3 |
2.40 |
|
24×64 | ||||||||
|
8 |
CKZ100×70-25 |
315 |
1200 |
100×68 |
6-M8 深12
孔深18,均布 |
88 |
7×2.7 |
3.00 |
|
25×70 | ||||||||
|
9 |
CKZ100×64-30 |
315 |
1200 |
100×64 |
6-M8 深12
孔深15,均布 |
88 |
8×3.3 |
2.85 |
|
30×64 | ||||||||
|
10 |
CKZ100×70-30 |
315 |
1200 |
100×68 |
6-M8 深12
孔深14,均布 |
88 |
8×3.3 |
3.04 |
|
30×70 | ||||||||
|
11 |
CKZ100×70-30F2 |
315 |
1200 |
100×68 |
键槽
10×5(L=25) |
|
8×3.3 |
3.20 |
|
30×70 | ||||||||
|
12 |
CKZ100×82-30 |
315 |
1200 |
100×80 |
6-M8 深15
孔深20,均布 |
88 |
10×3.3 |
3.30 |
|
30×82 | ||||||||
|
13 |
CKZ100×82-30F2 |
315 |
1200 |
100×80 |
6-M10 深20
孔深15,均布 |
88 |
10×3.3 |
4.54 |
|
30×82 | ||||||||
|
14 |
CKZ105×34-25 |
315 |
1200 |
105×26 |
6-ф7 |
90 |
8×3.3 |
1.67 |
|
25×34 | ||||||||
|
15 |
CKZ105×51-28 |
315 |
1200 |
105×27 |
6-M8 |
88 |
8×3.3 |
2.80 |
|
28×51 | ||||||||
|
16 |
CKZ108×89-31.5 |
500 |
1200 |
108×86 |
4-M8 深15
孔深18,均布 |
92 |
10×3.3 |
4.97 |
|
31.5×89 | ||||||||
|
17 |
CKZ110×78-35 |
500 |
1200 |
110×76 |
6-M8 深16
孔深20,均布 |
95 |
10×3.3 |
5.23 |
|
35×78 | ||||||||
|
18 |
CKZ120×92-38 |
630 |
1200 |
120×90 |
8-M8 深20
孔深25,均布 |
105 |
10×3.3 |
7.35 |
|
38×92 | ||||||||
|
19 |
CKZ120×55-40 |
630 |
1200 |
120×26 |
单面6-M8均布 |
102 |
12×2.5 |
7.35 |
|
40×55 | ||||||||
|
20 |
CKZ120×92-40 |
630 |
1200 |
120×90 |
8-M8 深20 |
105 |
10×3.3 |
5.55 |
|
40×92 | ||||||||
|
21 |
CKZ120×92-42 |
630 |
1200 |
120×90 |
8-M8 深20
孔深25,均布 |
105 |
12×3.3 |
5.96 |
|
42×92 | ||||||||
|
22 |
CKZ120×92-42FA |
630 |
1200 |
120×90 |
通键槽12×5 |
|
12×3.3 |
6.09 |
|
42×92 | ||||||||
|
23 |
CKZ125×92-28 |
1000 |
1200 |
125×90 |
6-ф9,均布 |
110 |
8×3.3 |
6.55 |
|
28×92 | ||||||||
|
24 |
CKZ125×80-30 |
1000 |
1200 |
125×78 |
6-M8 深18
孔深20,均布 |
110 |
10×3.3 |
5.10 |
|
30×80 | ||||||||
|
25 |
CKZ125×92-38 |
1000 |
1200 |
125×90 |
6-ф9,均布 |
110 |
10×.3 |
6.4 |
|
38×92 | ||||||||
|
26 |
CKZ125×80-40 |
1000 |
1200 |
125×78 |
6-M8 深18
孔深20,均布 |
110 |
12×3.7 |
6.38 |
|
40×80 | ||||||||
|
27 |
CKZ125×92-42 |
1000 |
1100 |
125×90 |
8-M8 深20
孔深25,均布 |
110 |
12×3.3 |
6.38 |
|
42×92 | ||||||||
|
28 |
CKZ125×92-45 |
1000 |
1100 |
125×90 |
8-M8 深20
孔深25,均布 |
110 |
14×3.8 |
6.13 |
|
45×92 | ||||||||
|
29 |
CKZ125×92-45F2 |
1000 |
1100 |
125×90 |
键槽
14×5(L=50) |
110 |
14×3.8 |
6.13 |
|
45×92 | ||||||||
|
30 |
CKZ130×92-38 |
1000 |
1100 |
130×90 |
4-ф11均布 |
110 |
10×.3 |
8.77 |
|
38×92 | ||||||||
|
31 |
CKZ130×92-45 |
1200 |
1100 |
130×0 |
8-M8 深20
孔深25,均布 |
115 |
14×3.8 |
6.7 |
|
45×92 | ||||||||
|
32 |
CKZ130×63-48 |
1200 |
1100 |
130×63 |
6-M8 深20
孔深25,均布 |
115 |
14×3.8 |
6.55 |
|
48×63 | ||||||||
|
33 |
CKZ130×68-52 |
1200 |
1100 |
130×68 |
键槽10×3.3
(L=35) |
|
14×3.8 |
5.95 |
|
52×68 | ||||||||
|
34 |
CKZ136×95-35 |
1800 |
1100 |
136×92 |
6-M8 深20
孔深25,均布 |
120 |
10×3.3 |
8.42 |
|
35×95 | ||||||||
|
35 |
CKZ136×95-38 |
1800 |
1100 |
136×92 |
6-M8 深20
孔深25,均布 |
120 |
10×3.3 |
8.38 |
|
38×95 | ||||||||
|
36 |
CKZ136×95-45 |
1800 |
1000 |
136×92 |
6-M8 深20
孔深25,均布 |
120 |
12×3.3 |
8.09 |
|
45×95 | ||||||||
|
37 |
CKZ136×95-50 |
1800 |
1000 |
136×92 |
6-M8 深20
孔深25,均布 |
120 |
14×3.8 |
7.75 |
|
50×95 | ||||||||
|
38 |
CKZ136×95-50F2 |
1800 |
1000 |
136×92 |
6-ф9,均布 |
120 |
14×3.8 |
7.55 |
|
50×95 | ||||||||
|
39 |
CKZ136.5×95-45 |
1800 |
1000 |
136.5×92 |
6-M8 深20
孔深25,均布 |
121 |
14×3.8 |
8.15 |
|
45×95 | ||||||||
|
40 |
CKZ136.5×95.5-50.8 |
1800 |
1000 |
136.5×92.8 |
6-M8 深20
孔深25,均布 |
120.6 |
12.6×4.5 |
9.45 |
|
50.8×95.5 | ||||||||
|
41 |
CKZ150×110-48 |
2000 |
1000 |
150×100 |
8-M8 深20
孔深25,均布 |
130 |
14×3.8 |
12.70 |
|
48×110 | ||||||||
|
42 |
CKZ150×102-50 |
2000 |
1000 |
150×100 |
8-M8 深20
孔深25,均布 |
130 |
14×3.8 |
12.57 |
|
50×102 | ||||||||
|
43 |
CKZ150×102-55 |
2000 |
1000 |
150×100 |
8-M8 深20
孔深25,均布 |
130 |
16×4.3 |
12.25 |
|
55×102 | ||||||||
|
44 |
CKZ150×102-60 |
2000 |
1000 |
150×100 |
8-M8 深20
孔深25,均布 |
130 |
18×4.4 |
11.88 |
|
60×102 | ||||||||
|
45 |
CKZ155×102-55 |
2100 |
1000 |
155×100 |
8-M8 深20
孔深25,均布 |
140 |
16×4.3 |
10.06 |
|
55×102 | ||||||||
|
46 |
CKZ155×102-60 |
2100 |
1000 |
155×100 |
8-M8 深20
孔深25,均布 |
140 |
18×4.4 |
10.02 |
|
60×102 | ||||||||
|
47 |
CKZ160×112-60 |
2600 |
1000 |
160×110 |
8-M8 深20
孔深25,均布 |
145 |
18×4.4 |
13.07 |
|
60×112 | ||||||||
|
48 |
CKZ160×112-65 |
2600 |
1000 |
160×110 |
8-M8 深20
孔深25,均布 |
145 |
18×4.4 |
12.65 |
|
65×112 | ||||||||
|
49 |
CKZ165×92-45 |
220 |
1000 |
165×90 |
6-ф11
通孔 均布 |
135 |
14×3.8 |
11.45 |
|
45×92 | ||||||||
|
50 |
CKZ170×112-65 |
2700 |
1000 |
170×110 |
6-M10 深20
孔深25,均布 |
150 |
18×4.4 |
14.88 |
|
65×112 | ||||||||
|
51 |
CKZ170×92-70 |
2200 |
1000 |
170×90 |
6-M10 深20
孔深25,均布 |
150 |
18×4.4 |
13.61 |
|
70×92 | ||||||||
|
52 |
CKZ170×92-70F2 |
2700 |
1000 |
170×90 |
6-M10 深20
孔深25,均布 |
150 |
20×4.9 |
14.42 |
|
70×92 | ||||||||
|
53 |
CKZ180×128-45 |
2500 |
1000 |
180×124 |
6-M10 深20
孔深25,均布 |
158 |
14×3.8 |
19.75 |
|
45×128 | ||||||||
|
54 |
CKZ180×95-50 |
2500 |
1000 |
180×95 |
6-M10 深20
孔深25,均布 |
158 |
14×3.8 |
17.51 |
|
50×95 | ||||||||
|
55 |
CKZ180×128-55 |
2500 |
900 |
180×124 |
6-M10 深20
孔深25,均布 |
158 |
16×4.3 |
18.85 |
|
55×128 | ||||||||
|
56 |
CKZ180×128-60 |
2800 |
900 |
180×124 |
6-M10 深20
孔深25,均布 |
160 |
18×4.4 |
18.46 |
|
60×128 | ||||||||
|
57 |
CKZ180×124-65 |
2800 |
900 |
180×124 |
8-ф11
通孔 均布 |
158 |
18×4.4 |
22.23 |
|
65×124 | ||||||||
|
58 |
CKZ181×127-74.5 |
2500 |
900 |
181×124 |
8-M10 深36
孔深40,均布 |
159 |
15.8×3.2 |
21.30 |
|
74.5×127 | ||||||||
|
59 |
CKZ185×112-65 |
2500 |
900 |
185×110 |
8-M12 深25
孔深30,均布 |
164 |
18×4.4 |
21.50 |
|
65×112 | ||||||||
|
60 |
CKZ190×124-60 |
2550 |
900 |
190×124 |
8-M10 深25
孔深30,均布 |
170 |
20×4.9 |
24.50 |
|
60×124 | ||||||||
|
61 |
CKZ190×124-65 |
2550 |
900 |
190×124 |
6-M10 深30
孔深34,均布 |
170 |
18×4.4 |
24.37 |
|
65×124 | ||||||||
|
62 |
CKZ190×128-65 |
2850 |
800 |
190×124 |
6-M10 深20
孔深25,均布 |
170 |
18×4.4 |
22.37 |
|
65×128 | ||||||||
|
63 |
CKZ190×124-70F2 |
2500 |
800 |
190×124 |
8-M10 深25
孔深30,均布 |
170 |
18×4.4 |
23.85 |
|
70×124 | ||||||||
|
64 |
CKZ190×128-70 |
2850 |
800 |
190×124 |
6-M10 深20
孔深25,均布 |
170 |
20×4.9 |
20.01 |
|
70×128 | ||||||||
|
65 |
CKZ200×128-65 |
2900 |
800 |
200×124 |
6-M10 深20
孔深25,均布 |
175 |
18×4.4 |
22.93 |
|
65×128 | ||||||||
|
66 |
CKZ200×135-65 |
2600 |
800 |
200×135 |
6-M10 深25
孔深30,均布 |
175 |
18×4.4 |
29.00 |
|
65×135 | ||||||||
|
67 |
CKZ200×150-65F2
带端盖 |
2600 |
800 |
200×135 |
6-M10 深25
孔深30,均布 |
175 |
18×4.4 |
29.00 |
|
65×135 | ||||||||
|
68 |
CKZ210×116-48 |
2900 |
800 |
210×116 |
6-ф11
通孔 均布 |
175 |
16×5.3 |
26.00 |
|
48116 | ||||||||
|
69 |
CKZ210×132-70 |
3000 |
800 |
210×128 |
6-M12×25 |
185 |
20×4.9 |
25.14 |
|
70×132 | ||||||||
|
70 |
CKZ220×120-85 |
3000 |
800 |
220×115 |
12-M10 深20
孔深25,均布 |
195 |
20×4.9 |
25.10 |
|
85×120 | ||||||||
|
71 |
CKZ230×120-60 |
3150 |
800 |
230×120 |
8-M12 深25
孔深30,均布 |
205 |
18×4.4 |
31.50 |
|
60×120 | ||||||||
|
72 |
CKZ230×120-70 |
3150 |
,
800 |
<, ;, DIV align=center>230×120 |
8-M12 深25
孔深30,均布 |
205 | , ,
20×4.9 |
35.51 |
|
70×120 | ||||||||
|
73 |
CKZ230×120-75 |
3150 |
800 |
230×120 |
8-M12 深25
孔深30,均布 |
205 |
20×4.9 |
29.70 |
|
75×120 | ||||||||
|
74 |
CKZ230×132-70 |
3150 |
800 |
230×128 |
8-M12 深25
孔深30,均布 |
205 |
20×4.9 |
30.78 |
|
70×132 | ||||||||
|
75 |
CKZ230×132-75 |
3150 |
800 |
230×128 |
8-M12 深25
孔深30,均布 |
205 |
20×4.9 |
30.31 |
|
75×132 | ||||||||
|
76 |
CKZ230×120-80 |
3150 |
800 |
230×120 |
8-M12 深25
孔深30,均布 |
205 |
22×5.4 |
29.25 |
|
80×120 | ||||||||
|
77 |
CKZ230×132-80 |
3150 |
800 |
230×128 |
8-M12 深20
孔深25,均布 |
205 |
22×5.4 |
29.82 |
|
80×132 | ||||||||
|
78 |
CKZ230×120-85 |
3150 |
800 |
230×120 |
8-M12 深25
孔深30,均布 |
205 |
24×5.4 |
33.79 |
|
85×120 | ||||||||
|
79 |
CKZ230×120-90 |
3150 |
800 |
230×120 |
8-M12 深25
孔深30,均布 |
205 |
25×5.4 |
33.15 |
|
90×120 | ||||||||
|
80 |
CKZ238×120-70 |
3150 |
800 |
238×120 |
8-M12
25×9(L=100) |
210 |
2-16×4.3 |
35.00 |
|
70×120 | ||||||||
|
81 |
CKZ245×120-100 |
4000 |
800 |
245×120 |
8-M12
28×10 |
218 |
28×6.4 |
36.00 |
|
100×120 | ||||||||
|
82 |
CKZ248×140-80 |
4000 |
800 |
248×138 |
12-M12 深35
孔深40,均布 |
210 |
22×5.4 |
40.10 |
|
80×140 | ||||||||
|
83 |
CKZ250×140-90 |
5600 |
700 |
250×136 |
12-M12 深20
孔深25,均布 |
225 |
22×5.4 |
38.91 |
|
90×140 | ||||||||
|
270×115 | ||||||||
|
84 |
CKZ270×115-90 |
7000 |
700 |
270×115 |
12-M16 深35
孔深40,均布 |
220 |
24×8.0 |
38.0 |
|
90×110 | ||||||||
|
85 |
CKZ300×160-100 |
8000 |
600 |
300×156 |
12-M16 深40
孔深45,均布 |
260 |
28×6.4 |
67.08 |
|
100×160 | ||||||||
|
86 |
CKZ300×160-110 |
8000 |
600 |
300×156 |
12-M16 深40
孔深45,均布 |
260 |
28×6.4 |
65.32 |
|
110×160 |
