您好,欢迎进入格鲁夫机械设备制造有限公司官网!
减速机|丝杆升降机|减速电机|行业专用减速机|减速机配件|减速机厂|丝杆升降机厂|转向器厂

联系我们

邮箱:china@gelufu.com
电话:0312-6784766
在线咨询

减速电机

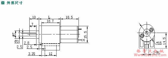
ZYM-16T030减速电机

发布日期:2023-12-28 19:41 浏览次数:

ZYM-16T030减速电机(图1)

gelufu.com

ZYM-16T030减速电机(图2) 传真:0312-6784733

传真:0312-6784733

ZYM-16T030减速电机(图3) 格鲁夫丝杆升降机

www.gelufu.com.cn

ZYM-16T030减速电机(图4)

格鲁夫减速机

gelufu.com.cn

ZYM-16T030减速电机(图5)

手机:13331225020

ZYM-16T030减速电机(图6)

Copyright © 2023-2025 格鲁夫 版权所有 备案号:冀ICP备19023093号-2

电子营业执照图标 电子营业执照
选择语言
Hello,欢迎来咨询~