mail:china@gelufu.com

|
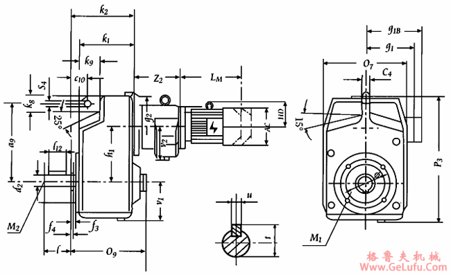
机座号 |
a9
a10 |
c4
f4 |
k1
h1 |
k8
k9 |
O7
O9 |
p3
M1
s1 |
v1
v2 |
φ
Z2
|
d
|
l
l12 |
t
u |
k2
M2
|
d2
f3 |
|
YCPJ160+VU2 |
218
41 |
16
5 |
139
160 |
42
60 |
212
183 |
351
4-M10
14 |
101
85 |
128
152
|
40k6
|
80
70 |
43
12 |
157
M10 |
90
5 |
|
YCPJ208+VU8 |
278
50 |
20
5 |
162
208 |
50
70 |
260
213 |
442
4-M12
22 |
124
118 |
154
176
|
50k6
|
100
80 |
53.5
14 |
182
M12 |
130
4 |
|
YCPJ255+VU8 |
346
62 |
26
5 |
184
255 |
65
80 |
315
243 |
540
4-M12
22 |
151
118 |
215
176
|
60m6
|
120
110 |
64
18 |
212
M12 |
180
5 |
|
YCPJ290+VU8 |
395
70 |
30
5.5 |
265
290 |
80
108 |
380
304 |
628
8-M16
26 |
182
118 |
265
176 |
70m6
|
140
125 |
74.5
20 |
286
M12 |
230
5 |