微信:grove_company
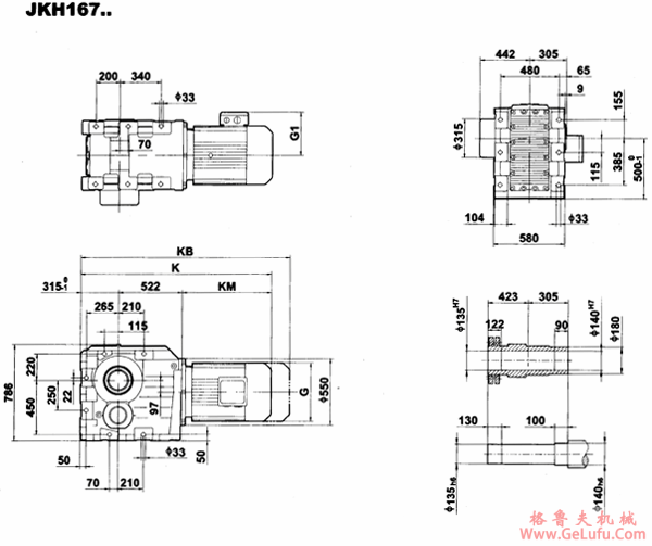
JK167..-JKH167..型减速电机外形安装尺寸 邮箱:china@gelufu.com
www.gelufu.com
|
|
Y2132L |
Y2160M |
Y2160L |
Y2180M |
Y2180L |
Y2200L |
Y2225S |
Y2225M |
Y2250M |
Y2280S |
Y2280M |
Y2315S |
Y2315M(L) |
|
G(AC) |
275 |
330 |
330 |
380 |
380 |
420 |
470 |
470 |
510 |
580 |
580 |
645 |
645 |
|
G1(AD) |
210 |
255 |
255 |
280 |
280 |
305 |
335 |
335 |
370 |
410 |
410 |
530 |
530 |
|
K |
1176 |
1211 |
1266 |
1296 |
1336 |
1366 |
1381 |
1411 |
1476 |
1551 |
1601 |
1836 |
1866 |
|
KB |
1271 |
1326 |
1386 |
1421 |
1461 |
1491 |
1511 |
1541 |
1626 |
1701 |
1751 |
2016 |
2046 |
|
KM(LB) |
470 |
505 |
560 |
590 |
630 |
660 |
675 |
705 |
770 |
845 |
895 |
1130 |
1160 |
格鲁夫齿轮箱

|
|
Y2132L |
Y2160M |
Y2160L |
Y2180M |
Y2180L |
Y2200L |
Y2225S |
Y2225M |
Y2250M |
Y2280S |
Y2280M |
Y2315S |
Y2315M(L) |
|
G(AC) |
275 |
330 |
330 |
380 |
380 |
420 |
470 |
470 |
510 |
580 |
580 |
645 |
645 |
|
G1(AD) |
210 |
255 |
255 |
280 |
280 |
305 |
335 |
335 |
370 |
410 |
410 |
530 |
530 |
|
K |
1307 |
1342 |
1397 |
1427 |
1467 |
1497 |
1512 |
1542 |
1607 |
1682 |
1732 |
1967 |
1997 |
|
KB |
1402 |
1457 |
1512 |
1552 |
1592 |
1622 |
1642 |
1672 |
1757 |
1832 |
1882 |
2147 |
2177 |
|
KM(LB) |
470 |
505 |
560 |
590 |
630 |
660 |
675 |
705 |
770 |
845 |
895 |
1130 |
1160 |