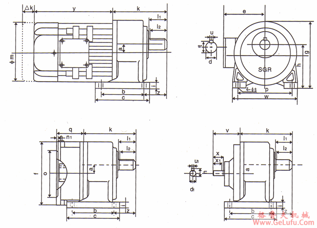
GL(H)W小齿轮减速电机安装尺寸
发布日期:2023-12-28 19:40
浏览次数:
Mobile:13331225020
安装尺寸
GL(HW)
| 齿轮箱型号 |
18 |
22 |
28 |
32 |
40 |
50 |
| 装配电机机座 |
63 |
63、71 |
71、80 |
80、90 |
90、100 |
100、112 |
| 重量(gk) |
7.5 |
10 |
15 |
32 |
45 |
73 |
| a |
16.5 |
18 |
22 |
27 |
32.5 |
40 |
| b |
40 |
65 |
90 |
130 |
150 |
160 |
| c |
64 |
90 |
120 |
164 |
200 |
210 |
| p |
110 |
130 |
140 |
170 |
210 |
230 |
| w |
134 |
154 |
170 |
203 |
255 |
285 |
| z |
45 |
55 |
65 |
70 |
93 |
105 |
| h |
82 |
90 |
110 |
130 |
162 |
190 |
| g |
130 |
140 |
165 |
198 |
227 |
267 |
| l1 |
30 |
40 |
45 |
55 |
65 |
75 |
| l2 |
25 |
35 |
40 |
50 |
60 |
70 |
| d(h6) |
18 |
22 |
28 |
32 |
40 |
50 |
| t |
20.5 |
24.5 |
31 |
35 |
43 |
53.5 |
| u |
6 |
6 |
8 |
10 |
12 |
14 |
| l |
10 |
12 |
16 |
18 |
20 |
25 |
| s |
9 |
11 |
11 |
13 |
18 |
18 |
| x |
25 |
25 |
30 |
30 |
35 |
50 |
| x1 |
22 |
22 |
25 |
25 |
30 |
45 |
| d1(h6) |
14 |
14 |
16 |
19 |
24 |
35 |
| t1 |
16 |
16 |
18 |
21.5 |
27 |
38 |
| u1 |
5 |
5 |
5 |
6 |
8 |
10 |
| k |
105 |
125 |
142 |
167 |
195 |
227 |
格鲁夫齿轮箱 装配的电机尺寸表
| 电机机座号 |
m |
y |
n |
e |
f |
o |
q |
v |
△k |
| 63 |
130 |
167 |
4 |
100 |
140 |
95 |
45 |
|
|
| 71 |
144 |
177 |
4.5 |
110 |
160 |
110 |
55 |
|
|
| 80 |
168 |
207 |
4.5 |
120 |
200 |
130 |
58.5 |
|
|
| 90 |
190 |
230 |
4.5 |
130 |
200 |
130 |
75 |
125 |
|
| 100 |
196 |
295 |
5 |
145 |
250 |
180 |
80.5 |
125 |
|
| 112 |
220 |
310 |
5 |
165 |
250 |
180 |
80.5 |
125 |
|