手机:13331225020
Mobile:13331225020
|
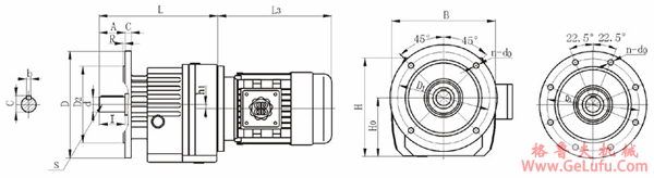
型号 |
安装尺寸 轴伸尺寸 外型尺寸 | |||||||||||||||||
|
D |
D1 |
D2(h7) |
C |
A |
R |
do |
n |
Ho |
d(k6) |
I |
c |
b |
S |
B |
H |
H1 |
L | |
|
DRF32DRF33 |
120 |
100 |
80 |
8 |
50 |
3 |
9 |
4 |
90 |
25 |
50 |
28 |
8 |
M10 |
161 |
151 |
4.9 |
201 |
|
DRF42DRF43 |
140 |
115 |
95 |
10 |
60 |
3 |
9 |
4 |
115 |
30 |
60 |
33 |
8 |
M10 |
184 |
190 |
15.4 |
235 |
|
DRF62DRF63 |
200 |
165 |
130 |
12 |
70 |
3 |
11 |
4 |
130 |
35 |
70 |
38 |
10 |
M12 |
221 |
215 |
19.4 |
280 |
|
DRF72DRF73 |
250 |
215 |
180 |
15 |
80 |
3.5 |
13.5 |
4 |
138 |
40 |
80 |
43 |
12 |
M16 |
241 |
232 |
9.9 |
300 |
|
DRF82DRF83 |
300 |
265 |
230 |
16 |
100 |
4 |
13.5 |
4 |
178 |
50 |
100 |
53.5 |
14 |
M16 |
241 |
232 |
9.9 |
300 |
|
DRF92DRF93 |
350 |
300 |
250 |
18 |
120 |
5 |
17.5 |
4 |
223 |
60 |
120 |
64 |
18 |
M20 |
354 |
369 |
11.2 |
440 |
|
DRF102DRF103 |
350 |
300 |
250 |
20 |
140 |
5 |
17.5 |
4 |
250 |
70 |
140 |
74.5 |
20 |
M20 |
354 |
369 |
11.2 |
440 |
|
DRF132DRF132 |
450 |
400 |
350 |
25 |
170 |
5 |
17.5 |
8 |
315 |
90 |
170 |
95 |
25 |
M20 |
464 |
505 |
35.2 |
589 |
|
DRF142DRF143 |
450 |
400 |
350 |
25 |
210 |
5 |
17.5 |
8 |
360 |
110 |
210 |
116 |
28 |
M24 |
548 |
574 |
41 |
695 |
|
DRF162DRF163 |
550 |
500 |
450 |
25 |
210 |
6 |
22 |
8 |
425 |
120 |
210 |
127 |
32 |
M24 |
670 |
668 |
59.9 |
790 |