Tel:0312-6784766
邮箱:china@gelufu.com
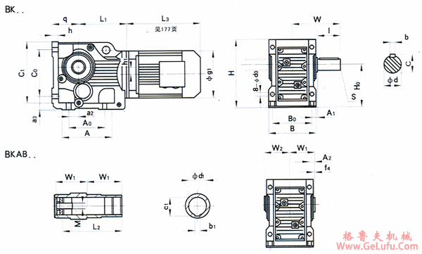
|
型号 |
安装尺寸 |
轴伸尺寸 |
外形尺寸 | ||||||||||
|
Ho |
Bo
Ao |
Co
a2 |
a3
q |
A1
do |
d |
I |
s |
b |
B |
L1 |
W |
A | |
|
c |
H |
h |
h1 |
C1 | |||||||||
|
BK100 |
100 |
100 |
115 |
32 |
10 |
25k6 |
50 |
M10 |
8 |
120 |
142 |
110 |
150 |
|
110 |
28 |
63 |
11 |
28 |
165 |
16 |
8.5 |
145 | |||||
|
BK112 |
112 |
120 |
130 |
37 |
15 |
30k6 |
60 |
M10 |
8 |
145 |
166 |
135 |
165 |
|
130 |
35 |
71 |
11 |
33 |
186 |
18 |
7.2 |
170 | |||||
|
BK132 |
132 |
130 |
150 |
45 |
18 |
35k6 |
70 |
M12 |
10 |
157 |
173 |
153 |
172 |
|
130 |
30 |
80 |
13.5 |
38 |
217 |
21 |
13.1 |
190 | |||||
|
BK140 |
140 |
140 |
160 |
45 |
21 |
40k6 |
80 |
M16 |
12 |
170 |
179 |
171 |
175 |
|
120 |
30 |
90 |
13.5 |
43 |
228 |
24 |
20 |
203 | |||||
|
BK180 |
180 |
165 |
200 |
55 |
23.5 |
50k6 |
100 |
M16 |
14 |
200 |
202 |
206 |
205 |
|
150 |
40 |
112 |
17.5 |
53.5 |
288 |
27 |
31.3 |
263 | |||||
|
BK212 |
212 |
180 |
233 |
70 |
30 |
60m6 |
120 |
M20 |
18 |
230 |
257 |
240 |
255 |
|
180 |
55 |
132 |
22 |
64 |
340 |
32 |
25.9 |
311 | |||||
|
BK265 |
265 |
240 |
295 |
75 |
31 |
70m6 |
140 |
M20 |
20 |
290 |
277 |
291 |
320 |
|
240 |
75 |
160 |
26 |
74.5 |
414 |
36 |
32.3 |
372 | |||||
|
BK315 |
315 |
270 |
360 |
95 |
42 |
90m6 |
170 |
M24 |
25 |
340 |
341 |
347 |
390 |
|
280 |
95 |
200 |
33 |
95 |
505 |
40 |
52 |
455 | |||||
|
BK375 |
375 |
330 |
420 |
110 |
43 |
110m6 |
210 |
M24 |
28 |
400 |
390 |
418 |
460 |
|
350 |
115 |
225 |
39 |
116 |
592 |
45 |
53 |
526 | |||||
|
BK450 |
450 |
420 |
500 |
130 |
37 |
120m6 |
210 |
M24 |
32 |
500 |
426 |
457 |
495 |
|
380 |
140 |
280 |
39 |
127 |
705 |
50 |
71.7 |
634 | |||||
格鲁夫机械
|
型号 |
安装尺寸 |
外形尺寸 | ||||||||
|
W1 |
W2 |
f4 |
A2 |
M |
d1 |
c1 |
b1 |
L2 |
g1 | |
|
BKAB112 |
75 |
78 |
3 |
15 |
M10×25 |
35 |
38.3 |
10 |
130 |
160 |
|
BKAB132 |
83 |
86 |
3 |
18 |
M16×40 |
40 |
43.3 |
12 |
142 |
160 |
|
BKAB140 |
90 |
93 |
3.5 |
20 |
M16×40 |
40 |
43.3 |
12 |
156 |
160 |
|
BKAB180 |
105 |
108 |
4 |
22.5 |
M16×40 |
50 |
53.8 |
14 |
183 |
200 |
|
BKAB212 |
120 |
123 |
4 |
30 |
M20×50 |
60 |
64.4 |
18 |
210 |
250 |
|
BKAB265 |
150 |
153 |
4 |
30 |
M20×50 |
70 |
74.9 |
20 |
270 |
300 |
|
BKAB315 |
175 |
178 |
2.5 |
40 |
M24×60 |
90 |
95.4 |
25 |
310 |
350 |
|
BKAB375 |
205 |
208 |
2.5 |
40 |
M24×60 |
100 |
106.4 |
28 |
370 |
450 |
|
BKAB450 |
250 |
253 |
0 |
40 |
M24×60 |
120 |
127.4 |
32 |
457 |
550 |
格鲁夫机械