手机:13331225020
WX:grove_company
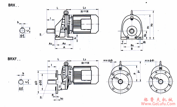
|
型号 |
安装尺寸 |
轴伸尺寸 |
外形尺寸 | ||||||||||||||||
|
H0 |
A0 |
B0 |
A2 |
d0 |
h1 |
d |
c |
b |
l |
S |
g1 |
L |
A |
B |
H1 |
T |
h |
H2 | |
|
BRX37 |
55 |
110 |
125 |
12 |
9 |
46 |
20k6 |
22.5 |
6 |
40 |
M6 |
140 |
140 |
140 |
160 |
169 |
40 |
12 |
― |
|
BRX57 |
63 |
110 |
125 |
16 |
11 |
52 |
20k6 |
22.5 |
6 |
40 |
M6 |
160 |
174 |
137 |
156 |
202 |
31 |
18 |
― |
|
BRX67 |
80 |
120 |
135 |
25 |
13.5 |
60 |
25k6 |
28 |
8 |
50 |
M10 |
160 |
201 |
150 |
170 |
226 |
35 |
20 |
― |
|
BRX77 |
90 |
150 |
170 |
25 |
17.5 |
72 |
30k6 |
33 |
8 |
60 |
M10 |
200 |
227 |
190 |
204 |
271 |
50 |
25 |
311 |
|
BRX87 |
100 |
160 |
215 |
30 |
18 |
93.5 |
40k6 |
43 |
12 |
80 |
M16 |
250 |
269 |
206 |
266 |
332 |
60 |
30 |
372 |
|
BRX97 |
112 |
185 |
250 |
40 |
22 |
116 |
50k6 |
53.5 |
14 |
100 |
M16 |
300 |
316 |
240 |
320 |
393 |
70 |
35 |
440 |
|
BRX107 |
140 |
210 |
310 |
32 |
22 |
130 |
60m6 |
64 |
18 |
120 |
M20 |
350 |
364 |
260 |
360 |
459 |
80 |
45 |
506 |
|
BRX127 |
160 |
270 |
400 |
35 |
26 |
157 |
75m6 |
79.5 |
20 |
140 |
M24 |
450 |
400 |
350 |
510 |
541 |
120 |
55 |
615 |
|
BRX157 |
200 |
300 |
500 |
51 |
33 |
180 |
90m6 |
95 |
25 |
170 |
M24 |
550 |
477 |
400 |
620 |
662 |
120 |
70 |
764 |
|
型号 |
安装尺寸 |
外形尺寸 | |||||||||||||||||||||||||
|
D |
D1 |
D2 |
R |
n1 |
d1 |
h2 |
h1 |
g1 |
V1 |
P |
P1 |
L | |||||||||||||||
|
1 |
2 |
3 |
1 |
2 |
3 |
1 |
2 |
3 |
1 |
2 |
3 |
1 |
2 |
3 |
1 |
2 |
3 |
1 |
2 |
3 | |||||||
|
BRXF37 |
160 |
- |
- |
130 |
- |
- |
110j6 |
- |
- |
3 |
- |
- |
4 |
- |
- |
9 |
- |
- |
8 |
- |
- |
46 |
140 |
60 |
114 |
- |
140 |
|
BRXF57 |
140 |
160 |
200 |
115 |
130 |
165 |
95j6 |
110j6 |
130j6 |
3 |
3.5 |
3.5 |
4 |
4 |
4 |
9 |
9 |
11 |
10 |
10 |
12 |
52 |
160 |
62 |
139 |
- |
174 |
|
BRXF67 |
160 |
200 |
250 |
130 |
165 |
215 |
110j6 |
130j6 |
180j6 |
3.5 |
3.5 |
4 |
4 |
4 |
4 |
9 |
11 |
13.5 |
10 |
12 |
15 |
60 |
160 |
70 |
147 |
- |
201 |
|
BRXF77 |
200 |
250 |
- |
165 |
215 |
- |
130j6 |
180j6 |
- |
3.5 |
4 |
- |
4 |
4 |
- |
11 |
13.5 |
- |
12 |
15 |
- |
72 |
200 |
78 |
181 |
221 |
227 |
|
BRXF87 |
250 |
300 |
- |
215 |
265 |
- |
180j6 |
230j6 |
- |
4 |
4 |
- |
4 |
4 |
- |
13.5 |
13.5 |
- |
15 |
16 |
- |
93.5 |
250 |
98 |
232 |
272 |
269 |
|
BRXF97 |
300 |
350 |
- |
265 |
300 |
- |
230j6 |
250j6 |
- |
4 |
5 |
- |
4 |
4 |
- |
13.5 |
17.5 |
- |
16 |
18 |
- |
116 |
300 |
118 |
281 |
328 |
316 |
|
BRXF107 |
350 |
450 |
- |
300 |
400 |
- |
250h6 |
350j6 |
- |
5 |
5 |
- |
4 |
8 |
- |
17.5 |
17.5 |
- |
18 |
22 |
- |
130 |
350 |
135 |
319 |
366 |
364 |
|
BRXF127 |
400 |
- |
- |
400 |
- |
- |
350h6 |
- |
- |
5 |
- |
- |
8 |
- |
- |
17.5 |
- |
- |
22 |
- |
- |
157 |
450 |
170 |
381 |
456 |
400 |
|
BRXF157 |
550 |
- |
- |
500 |
- |
|
450h6 |
- |
- |
5 |
- |
- |
8 |
- |
- |
22 |
- |
- |
25 |
- |
- |
180 |
550 |
214 |
462 |
564 |
477 |