fax:0312-6784733
www.gelufu.com
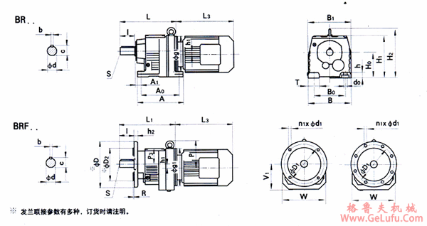
|
型号 |
安装尺寸 |
轴伸尺寸 |
外形尺寸 | |||||||||||||||||
|
H0 |
B0 |
A0 |
A1 |
h1 |
d0 |
d |
b |
c |
l |
S |
L |
A |
B |
H1 |
T |
h |
H2 |
g1 |
B1 | |
|
BR17 |
75 |
110 |
110 |
18 |
0 |
9 |
20k6 |
6 |
22.5 |
40 |
M6 |
207 |
131 |
140 |
134 |
25 |
12 |
― |
120 |
140 |
|
BR27 |
90 |
110 |
130 |
25 |
3.4 |
9 |
25k6 |
8 |
28 |
50 |
M10 |
193 |
152 |
151 |
147 |
32 |
18 |
― |
120 |
151 |
|
BR37 |
90 |
100 |
130 |
25 |
10.1 |
9 |
25k6 |
8 |
28 |
50 |
M10 |
201 |
160 |
145 |
151 |
35 |
18 |
― |
120 |
161 |
|
BR47 |
115 |
135 |
165 |
30 |
14 |
13.5 |
30k6 |
8 |
33 |
60 |
M10 |
235 |
195 |
170 |
187 |
42 |
24 |
― |
160 |
178 |
|
BR57 |
115 |
135 |
165 |
30 |
11.2 |
13.5 |
35k6 |
10 |
38 |
70 |
M12 |
257 |
200 |
190 |
187 |
55 |
24 |
― |
160 |
202 |
|
BR67 |
130 |
150 |
195 |
30 |
20.7 |
14 |
35k6 |
10 |
38 |
70 |
M12 |
280 |
235 |
210 |
212 |
60 |
30 |
243 |
160 |
215 |
|
BR77 |
140 |
170 |
205 |
35 |
15.9 |
17.5 |
40k6 |
12 |
43 |
80 |
M16 |
300 |
245 |
230 |
228 |
60 |
30 |
269 |
200 |
235 |
|
BR87 |
180 |
215 |
260 |
40 |
12.6 |
17.5 |
50k6 |
14 |
53.5 |
100 |
M16 |
372 |
310 |
290 |
295 |
75 |
45 |
345 |
250 |
297 |
|
BR97 |
225 |
250 |
310 |
40 |
10.2 |
22 |
60m6 |
18 |
64 |
120 |
M20 |
440 |
365 |
340 |
368 |
90 |
55 |
418 |
300 |
348 |
|
BR107 |
250 |
290 |
370 |
45 |
20.4 |
26 |
70m6 |
20 |
74.5 |
140 |
M20 |
495 |
440 |
400 |
408 |
110 |
65 |
475 |
350 |
409 |
|
BR137 |
315 |
340 |
410 |
50 |
25.1 |
33 |
90m6 |
25 |
95 |
170 |
M24 |
589 |
490 |
450 |
495 |
110 |
70 |
562 |
400 |
458 |
|
BR147 |
355 |
380 |
500 |
50 |
33.4 |
39 |
110m6 |
28 |
116 |
210 |
M24 |
695 |
590 |
530 |
565 |
150 |
80 |
637 |
450 |
540 |
|
BR167 |
425 |
500 |
580 |
60 |
59.9 |
39 |
120m6 |
32 |
127 |
210 |
M24 |
790 |
670 |
660 |
675 |
160 |
100 |
749 |
550 |
670 |
|
型号 |
安装尺寸 |
外型尺寸 | |||||||||||||||||||||||||
|
D |
D1 |
D2 |
R |
n1 |
d1 |
h2 |
h1 |
V1 |
W |
p3 |
L1 |
P | |||||||||||||||
|
1 |
2 |
3 |
1 |
2 |
3 |
1 |
2 |
3 |
1 |
2 |
3 |
1 |
2 |
3 |
1 |
2 |
3 |
1 |
2 |
3 | |||||||
|
BRF17 |
120 |
140 |
- |
100 |
115 |
- |
80j6 |
95j6 |
- |
3 |
3 |
- |
4 |
4 |
- |
6.5 |
8.5 |
- |
8 |
9 |
- |
0 |
76 |
130 |
59 |
215 |
- |
|
BRF27 |
- |
140 |
160 |
- |
115 |
130 |
- |
95j6 |
110j6 |
- |
3 |
3.5 |
- |
4 |
4 |
- |
8.5 |
8.5 |
- |
9 |
10 |
3.4 |
92 |
142 |
57 |
199 |
- |
|
BRF37 |
- |
160 |
200 |
- |
130 |
165 |
- |
110j6 |
130j6 |
- |
3.5 |
3.5 |
- |
4 |
4 |
- |
9 |
11 |
- |
10 |
12 |
10.1 |
94 |
161 |
61 |
207 |
- |
|
BRF47 |
- |
160 |
200 |
- |
130 |
165 |
- |
110j6 |
130j6 |
- |
3.5 |
3.5 |
- |
4 |
4 |
- |
9 |
11 |
- |
10 |
12 |
14 |
118 |
178 |
72 |
235 |
- |
|
BRF57 |
- |
200 |
250 |
- |
165 |
215 |
- |
130j6 |
180j6 |
- |
3.5 |
4 |
- |
4 |
4 |
- |
11 |
13.5 |
- |
12 |
15 |
11.2 |
121 |
202 |
72 |
257 |
- |
|
BRF67 |
200 |
250 |
- |
165 |
215 |
- |
130j6 |
180j6 |
- |
3.5 |
4 |
- |
4 |
4 |
- |
11 |
13.5 |
- |
12 |
15 |
- |
20.7 |
134 |
215 |
82 |
280 |
113 |
|
BRF77 |
250 |
300 |
- |
215 |
265 |
- |
180j6 |
230j6 |
- |
4 |
4 |
- |
4 |
4 |
- |
13.5 |
13.5 |
- |
15 |
16 |
- |
15.9 |
144 |
235 |
88 |
300 |
129 |
|
BRF87 |
300 |
350 |
- |
265 |
300 |
- |
230j6 |
250h6 |
- |
4 |
5 |
- |
4 |
4 |
- |
13.5 |
17.5 |
- |
16 |
18 |
- |
12.6 |
184 |
297 |
115 |
372 |
165 |
|
BRF97 |
350 |
450 |
- |
300 |
400 |
- |
250h6 |
350h6 |
- |
5 |
5 |
- |
4 |
8 |
- |
17.5 |
17.5 |
- |
18 |
22 |
- |
10.2 |
230 |
348 |
144 |
440 |
193 |
|
BRF107 |
350 |
450 |
- |
300 |
400 |
- |
250h6 |
350h6 |
- |
5 |
5 |
- |
4 |
8 |
- |
17.5 |
17.5 |
- |
20 |
22 |
- |
20.4 |
255 |
409 |
158 |
495 |
224 |
|
BRF137 |
450 |
550 |
- |
400 |
500 |
- |
350h6 |
450h6 |
- |
5 |
5 |
- |
8 |
8 |
- |
17.5 |
17.5 |
- |
22 |
25 |
- |
25.1 |
320 |
458 |
180 |
589 |
247 |
|
BRF147 |
450 |
550 |
- |
400 |
500 |
- |
350h6 |
450h6 |
- |
5 |
5 |
- |
8 |
8 |
- |
17.5 |
17.5 |
- |
22 |
25 |
- |
33.4 |
361 |
540 |
210 |
695 |
285 |
|
BRF167 |
550 |
660 |
- |
500 |
600 |
- |
450h6 |
550h6 |
- |
5 |
6 |
- |
8 |
8 |
- |
17.5 |
22 |
- |
25 |
28 |
- |
59.9 |
430 |
670 |
250 |
790 |
324 |