您好,欢迎进入格鲁夫机械设备制造有限公司官网!
减速机|丝杆升降机|减速电机|行业专用减速机|减速机配件|减速机厂|丝杆升降机厂|转向器厂

联系我们

邮箱:china@gelufu.com
电话:0312-6784766
在线咨询

减速电机

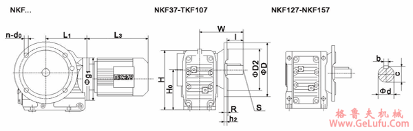
NKF37、NKF47、NKF57、NKF67、NKF77、NKF87、NKF97、NKF107、NKF127、NKF157、系列螺旋锥齿轮减速机安装尺寸(NKF37-157)

发布日期:2023-12-28 19:40 浏览次数:

NKF37、NKF47、NKF57、NKF67、NKF77、NKF87、NKF97、NKF107、NKF127、NKF157、系列螺旋锥齿轮减速机安装尺寸(NKF37-157)(图1)

Mobile:13331225020

NKF37、NKF47、NKF57、NKF67、NKF77、NKF87、NKF97、NKF107、NKF127、NKF157、系列螺旋锥齿轮减速机安装尺寸(NKF37-157)(图2) mail:china@gelufu.com

型号
安装尺寸
轴伸尺寸
外形尺寸
Ho
S
R
D1
n
do
D2
b
d
I
c
L1
W
D
h1
h2
H
NKF37
100
M10
3.5
130
4
9
110
8
25
50
28
139
134
8.5
10
10
164
NKF47
112
M10
3.5
165
4
11
130
8
30
60
33
166
166
7.2
10
10
185
NKF57
132
M12
4
215
4
13.5
180
10
35
70
38
173
177
13.1
15
15
215
NKF67
140
M16
4
215
4
13.5
180
12
40
80
43
179
193
20
15
15
226
NKF77
180
M16
4
265
4
13.5
230
14
50
100
53.5
202
242
31.3
16
16
286
NKF87
212
M20
5
300
4
17.5
250
18
60
120
64
257
270
25.9
18
18
338
NKF97
265
M20
5
400
8
17.5
350
20
70
140
74.5
277
332
32.3
22
22
414
NKF107
315
M24
5
400
8
17.5
350
25
90
170
95
341
386
52
22
22
500
NKF127
375
M24
5
500
8
17.5
450
28
110
210
116
390
466
53
25
25
592
NKF157
450
M24
6
600
8
22
550
32
120
210
127
426
520
71.7
28
28
705
www.gelufu.com

Copyright © 2023-2025 格鲁夫 版权所有 备案号:冀ICP备19023093号-2

电子营业执照图标 电子营业执照
选择语言
Hello,欢迎来咨询~