您好,欢迎进入格鲁夫机械设备制造有限公司官网!
减速机|丝杆升降机|减速电机|行业专用减速机|减速机配件|减速机厂|丝杆升降机厂|转向器厂

联系我们

邮箱:china@gelufu.com
电话:0312-6784766
在线咨询

减速电机

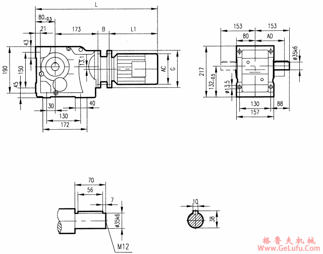
GK57型斜齿轮弧齿锥齿轮减速电机安装结构图尺寸

发布日期:2023-12-28 19:37 浏览次数:

GK57型斜齿轮弧齿锥齿轮减速电机安装结构图尺寸(图1) 格鲁夫

GK57型斜齿轮弧齿锥齿轮减速电机安装结构图尺寸 Mobile:13331225020

GK57型斜齿轮弧齿锥齿轮减速电机安装结构图尺寸(图2)

fax:0312-6784733

法兰联接式(Y2标准电机)
电机机座号
63
71
80
90S
90L
100L
112M
AC
130
145
175
195
195
215
240
AD
70
80
145
155
155
180
190
B
44.5
50
69
69
69
81
81
G
140
160
200
200
200
250
250
L1
207
225
255
270
295
325
340
L
504.5
528
577
592
617
659
674
注:机座100L,112M超过底座。

Copyright © 2023-2025 格鲁夫 版权所有 备案号:冀ICP备19023093号-2

电子营业执照图标 电子营业执照
选择语言
Hello,欢迎来咨询~