传真:0312-6784733

|
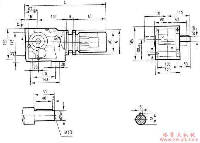
电机机座号 |
63 |
71 |
80 |
90S |
90L |
100L |
|
|
|
|
AC |
130 |
145 |
175 |
195 |
195 |
215 |
|
|
|
|
AD |
70 |
80 |
145 |
155 |
155 |
180 |
|
|
|
|
B |
45 |
50.5 |
60.5 |
60.5 |
60.5 |
85.5 |
|
|
|
|
G |
140 |
160 |
200 |
200 |
200 |
250 |
|
|
|
|
L1 |
207 |
225 |
255 |
270 |
295 |
325 |
|
|
|
|
L |
454 |
477.5 |
517.5 |
532.5 |
557.5 |
612.5 |
|
|
|