您好,欢迎进入格鲁夫机械设备制造有限公司官网!
减速机|丝杆升降机|减速电机|行业专用减速机|减速机配件|减速机厂|丝杆升降机厂|转向器厂

联系我们

邮箱:china@gelufu.com
电话:0312-6784766
在线咨询

减速电机

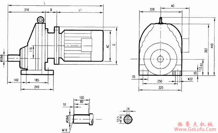
GRX97系列斜齿轮减速电机安装结构尺寸

发布日期:2023-12-28 19:37 浏览次数:

GRX97系列斜齿轮减速电机安装结构尺寸(图1)

www.gelufu.com

GRX97系列斜齿轮减速电机安装结构尺寸 fax:0312-6784733

GRX97系列斜齿轮减速电机安装结构尺寸(图2) mail:china@gelufu.com

GRX97安装结构尺寸

www.gelufu.com.cn

电话:0312-6784766

QQ:47447450

Copyright © 2023-2025 格鲁夫 版权所有 备案号:冀ICP备19023093号-2

电子营业执照图标 电子营业执照
电机机座号
132S
132M
160M
160L
180M
180L
200
AC
275
275
330
330
380
380
420
AD
210
210
255
255
280
280
305
B
92
92
125
125
125
125
152