您好,欢迎进入格鲁夫机械设备制造有限公司官网!
减速机|丝杆升降机|减速电机|行业专用减速机|减速机配件|减速机厂|丝杆升降机厂|转向器厂

联系我们

邮箱:china@gelufu.com
电话:0312-6784766
地址:莲池区焦庄乡 在线咨询

减速电机

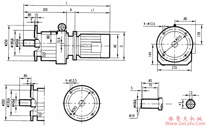
GRF87系列斜齿轮减速电机安装结构尺寸

发布日期:2023-12-28 19:37 浏览次数:

GRF87系列斜齿轮减速电机安装结构尺寸(图1) QQ:20275456

GRF87系列斜齿轮减速电机安装结构尺寸 gelufu.com

GRF87系列斜齿轮减速电机安装结构尺寸(图2)

gelufu

GRF87安装结构尺寸

电机机座号
80
90S
90L
100L
112M
132S
132M
160M
160L
180M
180L
AC
175
195
195
215
240
275
275
330
330
380
380
AD
145
155
155
180
190
210
210
255
255
280
280
B
70
70
70
82
82
92
92
130
130
130
130
G
200
200
200
250
250
300
300
350
350
350
350
L1
255
270
295
325
340
390
430
505
560
590
630
L
697
712
737
779
792
854
894
1007
1062
1092
1132
格鲁夫齿轮箱

Copyright © 2023-2025 格鲁夫 版权所有 备案号:冀ICP备19023093号-2

电子营业执照图标 电子营业执照