手机:13331225020

|
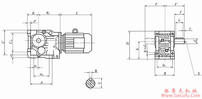
机座号 |
h |
a0 |
c0 |
a2 |
d0 |
d |
s |
l1 |
T |
A |
B |
k1 |
F |
L |
|
b0 |
a1 |
k |
f |
l2 |
R |
C |
H |
p |
h1 | |||||
|
YCZJ100D |
100 |
110 |
115 |
32 |
11 |
25k6 |
M10 |
5 |
28 |
143 |
120 |
158 |
110 |
参
照
电
机
尺
寸 |
|
100 |
28 |
63 |
50 |
40 |
8 |
150 |
164 |
16 |
8.5 | |||||
|
YCZJ112D |
112 |
130 |
130 |
37 |
11 |
30k6 |
M10 |
3.5 |
33 |
162 |
145 |
195 |
135 | |
|
120 |
35 |
71 |
60 |
50 |
8 |
170 |
186 |
18 |
7.2 | |||||
|
YCZJ140D |
140 |
120 |
160 |
45 |
13.5 |
40k6 |
M16 |
5 |
43 |
170 |
170 |
208 |
171 | |
|
140 |
30 |
90 |
80 |
70 |
12 |
203 |
228 |
24 |
20 | |||||
|
YCZJ180D |
180 |
150 |
200 |
55 |
17.5 |
50k6 |
M16 |
10 |
53.5 |
208 |
200 |
230 |
206 | |
|
165 |
40 |
112 |
100 |
80 |
14 |
263 |
288 |
27 |
31.3 | |||||
|
YCZJ212D |
212 |
180 |
233 |
70 |
22 |
60m6 |
M20 |
5 |
64 |
260 |
230 |
286 |
240 | |
|
180 |
55 |
132 |
120 |
110 |
18 |
305 |
340 |
32 |
25.9 | |||||
|
YCZJ265D |
265 |
240 |
295 |
75 |
26 |
70m6 |
M20 |
7.5 |
74.5 |
294 |
290 |
306 |
291 | |
|
240 |
75 |
160 |
140 |
125 |
20 |
372 |
417 |
36 |
32.3 | |||||
|
YCZJ315D |
315 |
280 |
360 |
95 |
33 |
90m6 |
M24 |
5 |
95 |
380 |
340 |
409 |
347 | |
|
270 |
95 |
200 |
170 |
160 |
25 |
448 |
503 |
40 |
52 | |||||
|
YCZJ375D |
375 |
350 |
420 |
110 |
39 |
110m6 |
M24 |
15 |
116 |
445 |
400 |
458 |
418 | |
|
330 |
115 |
225 |
210 |
180 |
28 |
526 |
592 |
45 |
53 | |||||
|
YCZJ450D |
450 |
380 |
500 |
130 |
39 |
120m6 |
M24 |
5 |
127 |
495 |
500 |
495 |
457 | |
|
420 |
140 |
280 |
210 |
200 |
32 |
634 |
705 |
50 |
71.7 |
gelufu.com

|
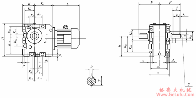
机座号 |
a0 |
P |
h |
m |
k |
k6 |
k9 |
k12 |
k15 |
k18 |
d 0 |
s |
d |
l2 |
L |
|
|
|
F |
k1 |
k7 |
k10 |
k13 |
k16 |
|
f |
T | |||||
|
b |
a |
h1 |
H |
k5 |
k8 |
k11 |
k14 |
k17 |
k19 |
l1 |
R | ||||
|
YCZJ500D |
480 |
50 |
500-1 |
100 |
315 |
115 |
70 |
22 |
200 |
115 |
33 |
M30 |
140m6 |
220 |
参 照 电 机 尺 寸 |
|
|
|
|
555 |
525 |
210 |
450 |
250 |
340 |
|
250 |
148 | ||||
|
200 |
580 |
87 |
785 |
265 |
210 |
220 |
70 |
155 |
385 |
15 |
36 | ||||
|
YCZJ600D |
540 |
60 |
600-1 |
110 |
335 |
135 |
60 |
5 |
215 |
150 |
39 |
M30 |
160m6 |
280 | |
|
|
|
|
637 |
625 |
250 |
550 |
305 |
405 |
|
300 |
169 | ||||
|
230 |
640 |
85 |
930 |
305 |
250 |
250 |
95 |
160 |
460 |
10 |
40 |
www.gelufu.com