格鲁夫
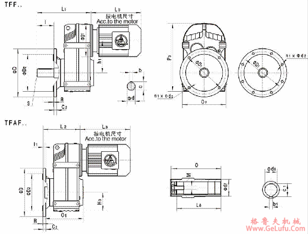
TF系列平行轴斜齿轮减速机的安装尺寸(型号为TFF、TFAF) www.gelufu.com
格鲁夫减速机
|
型号 |
安装尺寸 |
轴伸尺寸 |
外形尺寸 | ||||||||||||||
|
D1 |
D2 |
R |
n1 |
d2 |
h1 |
b |
c |
d |
l |
C2 |
P3 |
O7 |
S |
g1 |
D |
L1 | |
|
TFF38 |
130 |
110j6 |
3.5 |
4 |
9 |
112 |
8 |
28 |
25k6 |
50 |
10 |
252 |
165 |
M10 |
120 |
160 |
190 |
|
TFF48 |
165 |
130j6 |
3.5 |
4 |
11 |
128.1 |
8 |
33 |
30k6 |
60 |
12 |
269 |
180 |
M10 |
120 |
200 |
222 |
|
TFF58 |
215 |
180j6 |
4 |
4 |
13.5 |
136 |
10 |
38 |
35k6 |
70 |
15 |
317 |
200 |
M12 |
160 |
250 |
243 |
|
TFF68 |
215 |
180j6 |
4 |
4 |
13.5 |
159.5 |
12 |
43 |
40k6 |
80 |
15 |
343 |
212 |
M16 |
160 |
250 |
275 |
|
TFF78 |
265 |
230j6 |
4 |
4 |
13.5 |
200 |
14 |
53.5 |
50k6 |
100 |
16 |
426 |
270 |
M16 |
200 |
300 |
331 |
|
TFF88 |
300 |
250h6 |
5 |
4 |
17.5 |
246.7 |
18 |
64 |
60m6 |
120 |
18 |
531 |
330 |
M20 |
250 |
350 |
379 |
|
TFF98 |
400 |
350h6 |
5 |
8 |
17.5 |
285 |
20 |
74.5 |
70m6 |
140 |
22 |
623 |
400 |
M20 |
300 |
450 |
454 |
|
TFF108 |
400 |
350h6 |
5 |
8 |
17.5 |
332.4 |
25 |
95 |
90m6 |
170 |
22 |
717 |
450 |
M24 |
350 |
450 |
532 |
|
TFF128 |
500 |
450h6 |
5 |
8 |
17.5 |
382.6 |
28 |
116 |
110m6 |
210 |
25 |
856 |
530 |
M24 |
450 |
550 |
637 |
|
TFF158 |
600 |
550h6 |
6 |
8 |
22 |
447 |
32 |
127 |
120m6 |
210 |
28 |
1021 |
660 |
M24 |
550 |
660 |
725 |
|
型号 |
安装尺寸 |
轴伸尺寸 |
外形尺寸 | |||||||||||||||
|
H0 |
D2 |
D1 |
R |
L8 |
n1 |
d2 |
M |
C1 |
d1 |
l1 |
b1 |
c2 |
D |
L2 |
O9 |
O |
d7 | |
|
TFAF38 |
76 |
110j6 |
130 |
3.5 |
105 |
4 |
9 |
M10×25 |
33.3 |
30H7 |
24 |
8 |
10 |
160 |
140 |
123 |
120 |
45 |
|
TFAF48 |
77 |
130j6 |
165 |
3.5 |
130 |
4 |
11 |
M10×25 |
38.3 |
35H7 |
25 |
10 |
12 |
200 |
162 |
153 |
150 |
50 |
|
TFAF58 |
93 |
180j6 |
215 |
4 |
142 |
4 |
13.5 |
M16×40 |
43.3 |
40H7 |
23.5 |
12 |
15 |
250 |
177 |
169 |
166 |
55 |
|
TFAF68 |
97 |
180j6 |
215 |
4 |
156 |
4 |
13.5 |
M16×40 |
43.3 |
40H7 |
23 |
12 |
15 |
250 |
195 |
183 |
180 |
55 |
|
TFAF78 |
121 |
230j6 |
265 |
4 |
183 |
4 |
13.5 |
M16×40 |
53.8 |
50H7 |
37 |
14 |
16 |
300 |
231 |
213 |
210 |
70 |
|
TFAF88 |
152 |
250h6 |
300 |
5 |
210 |
4 |
17.5 |
M20×50 |
64.4 |
60H7 |
30 |
18 |
18 |
350 |
259 |
243 |
240 |
85 |
|
TFAF98 |
178 |
350h6 |
400 |
5 |
270 |
8 |
17.5 |
M20×50 |
74.9 |
70H7 |
41.5 |
20 |
22 |
450 |
314 |
303 |
300 |
95 |
|
TFAF108 |
200 |
350h6 |
400 |
5 |
310 |
8 |
17.5 |
M24×60 |
95.4 |
90H7 |
41 |
25 |
22 |
450 |
362 |
353 |
350 |
120 |
|
TFAF128 |
236 |
450h6 |
500 |
5 |
370 |
8 |
17.5 |
M24×60 |
106.4 |
100H7 |
51 |
28 |
25 |
550 |
427 |
413 |
410 |
135 |
|
TFAF158 |
286 |
550h6 |
600 |
6 |
457 |
8 |
22 |
M24×60 |
127.4 |
120H7 |
60 |
32 |
28 |
660 |
521 |
503 |
500 |
155 |