您好,欢迎进入格鲁夫机械设备制造有限公司官网!
减速机|丝杆升降机|减速电机|行业专用减速机|减速机配件|减速机厂|丝杆升降机厂|转向器厂

联系我们

邮箱:china@gelufu.com
电话:0312-6784766
在线咨询

减速电机

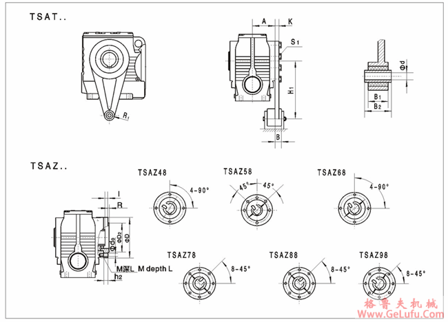
TSAT38、TSAZ48、TSAT48、TSAZ58、TSAT58、TSAZ68、TSAT68、TSAZ78、TSAT78、TSAZ88、TSAT88、TSAZ98、TSAT98、系列蜗轮蜗杆减速机外形安装尺寸

发布日期:2023-12-28 19:36 浏览次数:

TSAT38、TSAZ48、TSAT48、TSAZ58、TSAT58、TSAZ68、TSAT68、TSAZ78、TSAT78、TSAZ88、TSAT88、TSAZ98、TSAT98、系列蜗轮蜗杆减速机外形安装尺寸(图1) 手机:13331225020

TSAT38……系列蜗轮蜗杆减速机外形安装尺寸TSAT38、TSAZ48、TSAT48、TSAZ58、TSAT58、TSAZ68、TSAT68、TSAZ78、TSAT78、TSAZ88、TSAT88、TSAZ98、TSAT98、系列蜗轮蜗杆减速机外形安装尺寸(图2) Mobile:13331225020

型号
安装尺寸
外形尺寸
H1
S1
d
B
B1
B2
K
R1
A
TSAT38
110
M6×16
10.4±0.1
26
31
36-0.3
10
21
57
TSAT48
130
M8×25
10.4±0.1
20.5
31
36-0.3
15
21
57.5
TSAT58
160
M8×25
10.4±0.1
18.5
31
36-0.3
15
21
72
TSAT68
200
M12×35
10.4±0.1
19.5
31
36-0.3
18
21
80.5
TSAT78
250
M12×35
16.4±0.08
32.5
54
60-0.3
18
30
101
TSAT88
310
M16×45
16.4±0.08
25.5
54
60-0.3
24
30
120
TSAT98
380
M16×50
25±0.08
33
72
80-0.3
26
40
140
型号
安装尺寸
轴伸尺寸
外形尺寸
L
D1
D2
M
R
l
d0
h2
D
TSAZ48
12
Ф115
95j6
M8
3
8.5
9
11
130
TSAZ58
12
Ф102
80j6
M8
3
8
9
11
120
TSAZ68
20
Ф130
105j6
M12
3.5
9.5
13.5
13
155
TSAZ78
-
Ф155
125j6
-
4
14.5
M12
18.5
180
TSAZ88
-
Ф180
150j6
-
5
18.5
M16
23.5
215
TSAZ98
-
Ф220
180j6
-
5
18.5
M16
23.5
260
注:其余尺寸请见TSA..

Copyright © 2023-2025 格鲁夫 版权所有 备案号:冀ICP备19023093号-2

电子营业执照图标 电子营业执照
选择语言
Hello,欢迎来咨询~