您好,欢迎进入格鲁夫机械设备制造有限公司官网!
减速机|丝杆升降机|减速电机|行业专用减速机|减速机配件|减速机厂|丝杆升降机厂|转向器厂

联系我们

邮箱:china@gelufu.com
电话:0312-6784766
地址:莲池区焦庄乡 在线咨询

减速电机

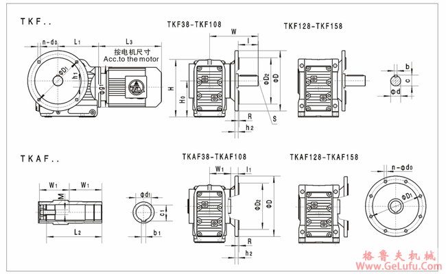
TKF38、TKF48、TKF58、TKF68、TKF78、TKF88、TKF98、TKF108、TKF128、TKF158、TKAF38、TKAF48、TKAF58、TKAF68、TKAF78、TKAF88、TKAF98、TKAF108、TKAF128、TKAF158、系列螺旋伞齿轮减速机外形安装尺寸

发布日期:2023-12-28 19:36 浏览次数:

TKF38、TKF48、TKF58、TKF68、TKF78、TKF88、TKF98、TKF108、TKF128、TKF158、TKAF38、TKAF48、TKAF58、TKAF68、TKAF78、TKAF88、TKAF98、TKAF108、TKAF128、TKAF158、系列螺旋伞齿轮减速机外形安装尺寸(图1) www.gelufu.com.cn

TKF38、TKF48、TKF58、TKF68、TKF78、TKF88、TKF98、TKF108、TKF128、TKF158、TKAF38、TKAF48、TKAF58、TKAF68、TKAF78、TKAF88、TKAF98、TKAF108、TKAF128、TKAF158、系列螺旋伞齿轮减速机外形安装尺寸(图2) www.gelufu.com

gelufu

TKF38、TKF48、TKF58、TKF68、TKF78、TKF88、TKF98、TKF108、TKF128、TKF158、TKAF38、TKAF48、TKAF58、TKAF68、TKAF78、TKAF88、TKAF98、TKAF108、TKAF128、TKAF158、系列螺旋伞齿轮减速机外形安装尺寸(图3) mail:china@gelufu.com

TKF38、TKF48、TKF58、TKF68、TKF78、TKF88、TKF98、TKF108、TKF128、TKF158、TKAF38、TKAF48、TKAF58、TKAF68、TKAF78、TKAF88、TKAF98、TKAF108、TKAF128、TKAF158、系列螺旋伞齿轮减速机外形安装尺寸(图4)

fax:0312-6784733

型号
安装尺寸
轴伸尺寸
外形尺寸
H0
S
R
D1
n
d0
D2
b
d
l
c
L1
W
D
h1
h2
H
TKF38
100
M10
3.5
130
4
9
110j6
8
25K6
50
28
139
134
160
8.5
10
164
TKF48
112
M10
3.5
165
4
11
130j6
8
30K6
60
33
166
160
200
7.2
10
185
TKF58
132
M12
4
215
4
13.5
180j6
10
35K6
70
38
173
177
250
13.1
15
215
TKF68
140
M16
4
215
4
13.5
180j6
12
40K6
80
43
179
193
250
20
15
226
TKF78
180
M16
4
265
4
13.5
230j6
14
50K6
100
53.5
202
242
300
31.3
16
286
TKF88
212
M20
5
300
4
17.5
250h6
18
60m6
120
64
257
270
350
25.9
18
338
TKF98
265
M20
5
400
8
17.5
350h6
20
70m6
140
74.5
277
332
450
32.3
22
414
TKF108
315
M24
5
400
8
17.5
350h6
25
90m6
170
95
341
386
450
52
22
500
TKF128
375
M24
5
500
8
17.5
450h6
28
110m6
210
116
390
466
550
53
25
592
TKF158
450
M24
6
600
8
22
550h6
32
120m6
210
127
426
520
660
71.7
28
705
型号
安装尺寸
轴伸尺寸
外形尺寸
L2
D1
R
D2
n
d0
M
b1
d1
l1
c1
D
h2
W1
g1
TKAF38
105
130
3.5
110j6
4
9
M10×25
8
30H7
24
33.3
160
10
60
120
TKAF48
130
165
3.5
130j6
4
11
M10×25
10
35H7
25
38.3
200
10
75
160
TKAF58
142
215
4
180j6
4
13.5
M16×40
12
40H7
23.5
43.3
250
15
83
160
TKAF68
156
215
4
180j6
4
13.5
M16×40
12
40H7
23
43.3
250
15
90
160
TKAF78
183
265
4
230j6
4
13.5
M16×40
14
50H7
37
53.8
300
16
105
200
TKAF88
210
300
5
250j6
4
17.5
M20×50
18
60H7
30
64.4
350
18
120
250
TKAF98
270
400
5
350j6
8
17.5
M20×50
20
70H7
41.5
74.9
450
22
150
300
TKAF108
310
400
5
350j6
8
17.5
M24×60
25
90H7
41
95.4
450
22
175
350
TKAF128
370
500
5
450h6
8
17.5
M24×60
28
100H7
51
106.4
550
25
205
450
TKAF158
457
600
6
550h6
8
22
M24×60
32
120H7
60
127.4
660
28
250
550
注:其余参数请参见TKA…。

Copyright © 2023-2025 格鲁夫 版权所有 备案号:冀ICP备19023093号-2

电子营业执照图标 电子营业执照