格鲁夫丝杆升降机

|
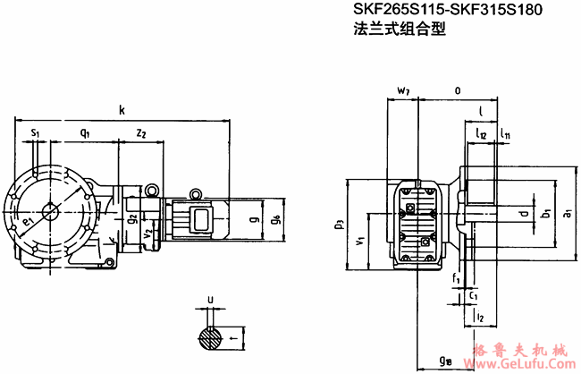
型号 |
a1 |
b1 |
c1 |
e1 |
f1 |
g |
g1B |
g2
g6 |
h1
i2 |
k |
o
p3 |
q1
s1 |
v1
v2 |
w7
z1 |
d
l |
l11
l12 |
t
u | |
|
SKF265S115 |
Y63 |
450 |
350 |
22 |
400 |
5 |
130 |
100 |
300
160 |
32.3
140 |
866 |
332
414 |
277
17.5 |
265
118 |
171
169 |
70
140 |
7.5
125 |
74.5
20 |
|
Y71 |
145 |
120 |
884 | |||||||||||||||
|
Y80 |
175 |
150 |
889 | |||||||||||||||
|
Y90 |
195 |
160 |
926 | |||||||||||||||
|
Y100 |
212 |
180 |
955 | |||||||||||||||
|
Y112M |
240 |
190 |
875 | |||||||||||||||
|
Y132S |
275 |
210 |
1030 | |||||||||||||||
|
SKF315S140 |
Y63 |
450 |
350 |
22 |
400 |
5 |
130 |
100 |
50
200 |
52
170 |
989 |
386
500 |
341
17.5 |
315
142 |
175
190 |
90
170 |
5
160 |
95
25 |
|
Y71 |
145 |
120 |
1007 | |||||||||||||||
|
Y80 |
175 |
150 |
1012 | |||||||||||||||
|
Y90 |
195 |
160 |
1049 | |||||||||||||||
|
Y100 |
212 |
180 |
1078 | |||||||||||||||
|
Y112M |
240 |
190 |
1098 | |||||||||||||||
|
Y132S |
275 |
210 |
1153 | |||||||||||||||
|
Y132M |
275 |
210 |
1193 | |||||||||||||||
|
SKF315S180 |
Y90 |
450 |
350 |
22 |
400 |
5 |
195 |
160 |
350
250 |
52
170 |
1142 |
386
500 |
341
17.5 |
315
183 |
175
283 |
90
170 |
5
160 |
95
25 |
|
Y100 |
212 |
180 |
1171 | |||||||||||||||
|
Y112M |
240 |
190 |
1191 | |||||||||||||||
|
Y132S |
275 |
210 |
1246 | |||||||||||||||
|
Y132M |
275 |
210 |
1286 | |||||||||||||||