mail:china@gelufu.com

|
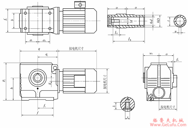
型号 |
a1 |
a2 |
b |
f0 |
h |
f1 |
f |
p3 |
q |
q1 |
g |
w7 |
l7 |
S |
f4 |
o |
18 |
l9 |
D |
d |
u |
t |
M |
|
JTSA47 |
35 |
52 |
60 |
94 |
100 |
67 |
127 |
179 |
171 |
96 |
8 |
63 |
20 |
M10 |
2.5 |
60 |
105 |
17 |
45 |
30h7 |
8 |
33.3 |
M10 |
|
JTSA57 |
58.5 |
58.5 |
60 |
100 |
112 |
73 |
146 |
189 |
187 |
107 |
20 |
78 |
20 |
M10 |
3 |
75 |
132 |
22 |
50 |
35h7 |
10 |
38.3 |
M12 |
|
JTSA67 |
71.5 |
80.5 |
88 |
128 |
140 |
95.5 |
182 |
236 |
242 |
135 |
22 |
87 |
25 |
M12 |
3.5 |
84 |
144 |
29 |
65 |
45h7 |
14 |
48.8 |
M16 |
|
JTSA77 |
85 |
85 |
102 |
154 |
180 |
104 |
204 |
301 |
287 |
162 |
34 |
108 |
32 |
M16 |
4 |
105 |
180 |
37 |
80 |
60h7 |
18 |
64.4 |
M20 |
|
JTSA87 |
115 |
110 |
118 |
194 |
225 |
125 |
260 |
368 |
340 |
190 |
37.5 |
128 |
32 |
M16 |
5 |
125 |
220 |
34 |
95 |
70h7 |
20 |
74.9 |
M20 |
|
JTSA97 |
135 |
113 |
160 |
236 |
280 |
140 |
301 |
455 |
420 |
240 |
52 |
149 |
36 |
M20 |
5 |
145 |
255 |
41 |
120 |
90h7 |
25 |
95.4 |
M24 |