mail:china@gelufu.com

|
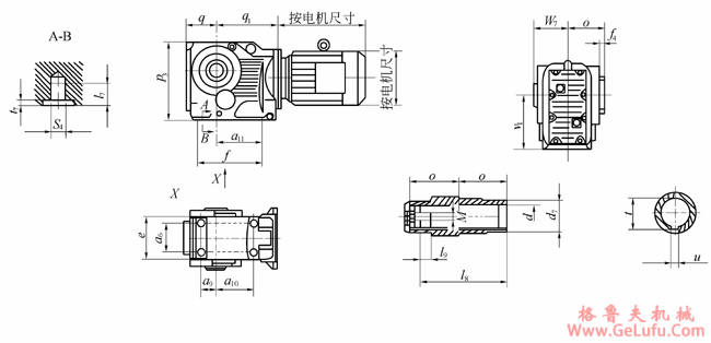
型号 |
a6 |
a9 |
a10 |
a11 |
e |
f |
f4 |
l7 |
o |
p3 |
q |
q1 |
s4 |
t7 |
v1 |
w7 |
dH7 |
d7 |
l8 |
l9 |
t |
u |
M |
|
JTKA37 |
60 |
35 |
82 |
97 |
100 |
147 |
2.5 |
20 |
60 |
164 |
71 |
139 |
M10 |
4 |
100 |
63 |
30H7 |
45 |
105 |
17 |
33.3 |
8 |
M10 |
|
JTKA47 |
70 |
40 |
100 |
115 |
110 |
170 |
3 |
20 |
75 |
185 |
77 |
166 |
M10 |
4 |
112 |
78 |
35H7 |
50 |
132 |
22 |
38.3 |
10 |
M12 |
|
JTKA57 |
88 |
47 |
105 |
120 |
122 |
182 |
3 |
25 |
83 |
215 |
96 |
173 |
M12 |
5 |
132 |
86 |
40H7 |
55 |
142 |
29 |
43.3 |
12 |
M16 |
|
JTKA67 |
88 |
42 |
110 |
125 |
130 |
182 |
3.5 |
25 |
90 |
226 |
95 |
179 |
M12 |
5 |
140 |
94 |
40H7 |
55 |
156 |
29 |
43.3 |
12 |
M16 |
|
JTKA77 |
102 |
48 |
122 |
139 |
154 |
204 |
4 |
32 |
105 |
286 |
110 |
202 |
M16 |
6 |
180 |
108 |
50H7 |
70 |
183 |
32 |
53.8 |
14 |
M16 |
|
JTKA87 |
118 |
65 |
160 |
190 |
170 |
280 |
4 |
32 |
120 |
338 |
133 |
257 |
M16 |
6 |
212 |
123 |
60H7 |
85 |
210 |
36 |
64.4 |
18 |
M20 |
|
JTKA97 |
160 |
83 |
165 |
190 |
226 |
298 |
4 |
36 |
150 |
414 |
158 |
277 |
M20 |
6 |
265 |
153 |
70H7 |
95 |
270 |
34 |
74.9 |
20 |
M20 |
|
JTKA107 |
190 |
100 |
190 |
230 |
266 |
370 |
2.5 |
44 |
175 |
500 |
196 |
341 |
M24 |
8 |
315 |
178 |
90H7 |
118 |
313 |
40 |
95.4 |
25 |
M24 |