WX:grove_company

|
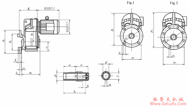
型号 |
Fig |
a1 |
b1 |
c1 |
e1 |
f1 |
h1 |
i2 |
k |
o |
o7 |
o9 |
p3 |
s1 |
v1 |
d |
d7 |
l8 |
l9 |
t |
u |
M |
|
JTFAF37 |
1 |
160 |
110j6 |
10 |
130 |
3.5 |
112 |
24 |
138 |
60 |
165 |
123 |
252 |
9 |
76 |
30H7 |
45 |
105 |
17 |
33.3 |
8 |
M10 |
|
JTFAF47 |
1 |
200 |
130j6 |
12 |
165 |
3.5 |
128.1 |
25 |
162 |
75 |
180 |
153 |
269 |
11 |
77 |
35H7 |
50 |
132 |
22 |
38.3 |
10 |
M10 |
|
JTFAF57 |
1 |
250 |
180j6 |
15 |
215 |
4 |
136 |
23.5 |
177 |
83 |
200 |
170 |
317 |
13.5 |
93 |
40H7 |
55 |
142 |
29 |
43.3 |
12 |
M16 |
|
JTFAF67 |
1 |
250 |
180j6 |
15 |
215 |
4 |
159.5 |
23 |
155 |
90 |
212 |
184 |
343 |
13.5 |
97 |
40H7 |
55 |
156 |
29 |
43.3 |
12 |
M16 |
|
JTFAF77 |
1 |
300 |
230h6 |
16 |
265 |
4 |
200 |
37 |
234 |
105 |
270 |
213 |
426 |
13.5 |
121 |
50H7 |
70 |
183 |
32 |
53.8 |
14 |
M16 |
|
JTFAF87 |
1 |
350 |
250h6 |
18 |
300 |
5 |
246.7 |
30 |
259 |
120 |
330 |
243 |
531 |
17.5 |
152 |
60H7 |
85 |
210 |
36 |
64.4 |
18 |
M20 |
|
JTFAF97 |
2 |
450 |
350h6 |
22 |
400 |
5 |
285 |
41.5 |
321 |
150 |
400 |
303 |
623 |
17.5 |
178 |
70H7 |
95 |
270 |
34 |
74.9 |
20 |
M20 |
|
JTFAF107 |
2 |
450 |
350h6 |
22 |
400 |
5 |
332.4 |
41 |
358 |
175 |
450 |
353 |
717 |
17.5 |
200 |
90H7 |
118 |
313 |
40 |
95.4 |
25 |
M24 |
|
JTFAF127 |
2 |
550 |
450h6 |
25 |
500 |
5 |
382.6 |
51 |
429 |
205 |
530 |
413 |
856 |
17.5 |
236 |
100H7 |
135 |
373 |
38 |
106.4 |
28 |
M24 |
|
JTFAF157 |
2 |
660 |
550h6 |
28 |
600 |
6 |
447 |
60 |
521 |
250 |
660 |
503 |
1021 |
22 |
286 |
120H7 |
155 |
460 |
36 |
127.4 |
32 |
M24 |