gelufu.com.cn

|
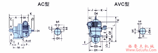
型 式 |
L |
K |
高 速 轴 | ||||
|
D1 |
l1 |
b1 |
h1 |
t1 | |||
|
02AC-A195 传真:0312-6784733 02AVC-A195 |
306 |
77 |
14 |
25 |
5 |
5 |
3 |
|
05AC-A195 05AVC-A195 |
320 |
80 |
14 |
30 |
5 |
5 |
3 |
|
05AC-B105 05AVC-B105 |
334 |
80 |
14 |
30 |
5 |
5 |
3 |
|
1AC-B105 www.gelufu.com.cn 1AVC-B105 |
378 |
110 |
19 |
40 |
6 |
6 |
3.5 |
|
1AC-C115 1AVC-C115 |
408 |
110 |
19 |
40 |
6 |
6 |
3.5 |
|
2AC-C115 2AVC-C115 |
447 |
126 |
24 |
50 |
8 |
7 |
4 |
|
2AC-D135 传真:0312-6784733 2AVC-D135 |
501 |
157 |
24 |
50 |
8 |
7 |
4 |
|
3AC-D135 3AVC-D135 |
576 |
157 |
28 |
60 |
8 |
7 |
4 |
|
3AC-E165 3AVC-E165 |
624 |
157 |
28 |
60 |
8 |
7 |
4 |
|
5AC-D135 www.gelufu.com 5AVC-D135 |
556 |
157 |
28 |
60 |
8 |
7 |
4 |
|
5AC-E165 5AVC-E165 |
624 |
157 |
28 |
60 |
8 |
7 |
4 |
|
5AC-E375 5AVC-E375 |
668 |
157 |
28 |
60 |
8 |
7 |
4 |