您好,欢迎进入格鲁夫机械设备制造有限公司官网!
减速机|丝杆升降机|减速电机|行业专用减速机|减速机配件|减速机厂|丝杆升降机厂|转向器厂

联系我们

邮箱:china@gelufu.com
电话:0312-6784766
在线咨询

国外及港台减速机

BRS系列球减速机

发布日期:2023-12-28 20:21 浏览次数:

BRS系列球减速机(图1) Mobile:13331225020

Kamo BR-S系列
标准型球减速机
BRS系列球减速机(图2)
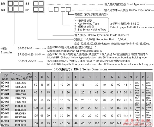
型号表示:在订货时,请按下例型号明确表示。
BRS系列球减速机(图3)
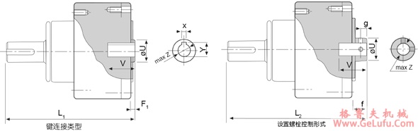
SS 型:轴输入/轴输出

传真:0312-6784733


BRS系列球减速机(图4)


SH 型:内孔输入/轴输出

Tel:0312-6784766


邮箱:china@gelufu.com

BRS系列球减速机(图5)
gelufu.com

BRS系列球减速机(图6)

Copyright © 2023-2025 格鲁夫 版权所有 备案号:冀ICP备19023093号-2

电子营业执照图标 电子营业执照
选择语言
Hello,欢迎来咨询~