微信:grove_company
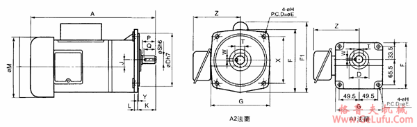
台湾ZL、ZF小型齿轮减速电机单相立式外形安装尺寸 格鲁夫配件
www.gelufu.com.cn
|
功率KW |
减速比 |
框号 |
A |
D |
E |
X |
F |
F1 |
G |
H |
L |
J |
K |
M |
Y |
Z |
出力轴端 |
重量Kg |
备注 | ||||
|
P |
Q |
S |
T |
W | |||||||||||||||||||
|
0.1KW |
5~50 |
18 |
255 |
50 |
140 |
99 |
120 |
|
20 |
9 |
8 |
15.98 |
40 |
126 |
5 |
116 |
30 |
27 |
18 |
20 |
5 |
5.5 |
A1法兰 |
|
60~200 |
22 |
287 |
148 |
185 |
131 |
176 |
|
165 |
11 |
10 |
17.66 |
50 |
126 |
3.5 |
116 |
40 |
35 |
22 |
25 |
7 |
7.3 |
A2法兰 | |
|
250-1800 |
22 |
357 |
148 |
185 |
131 |
176 |
|
165 |
11 |
10 |
17.66 |
50 |
126 |
3.5 |
116 |
40 |
35 |
22 |
25 |
7 |
9.2 |
A2法兰 | |
|
250~1800 |
28 |
385 |
170 |
220 |
155 |
205 |
|
195 |
φ11
*14L |
9 |
23.11 |
60 |
126 |
4 |
116 |
45 |
40 |
28 |
31 |
7 |
11.9 |
A2法兰 | |
|
0.2KW |
5~10 |
18 |
290 |
50 |
140 |
99 |
120 |
|
120 |
9 |
8 |
15.98 |
40 |
126 |
5 |
116 |
30 |
27 |
18 |
20 |
5 |
6.5 |
A1法兰 |
|
12.5~25 |
18 |
290 |
50 |
140 |
99 |
120 |
|
120 |
9 |
8 |
15.98 |
40 |
126 |
5 |
116 |
30 |
27 |
18 |
20 |
5 |
6.5 |
A1法兰 | |
|
12.5~90 |
22 |
320 |
148 |
185 |
131 |
176 |
|
165 |
11 |
10 |
17.66 |
50 |
126 |
3.5 |
116 |
40 |
35 |
22 |
25 |
7 |
8.3 |
A2法兰 | |
|
100~200 |
28 |
352 |
170 |
220 |
155 |
205 |
|
195 |
φ11
*14L |
9 |
23.11 |
60 |
126 |
4 |
116 |
45 |
40 |
28 |
31 |
7 |
11.7 |
A2法兰 | |
|
250~1800 |
28 |
419 |
170 |
220 |
155 |
205 |
|
195 |
φ11 |
9 |
23.11 |
60 |
126 |
4 |
116 |
45 |
40 |
28 |
31 |
7 |
12.8 |
A2法兰 | |
|
250~1800 |
32 |
469 |
185 |
255 |
180 |
241 |
|
225 |
15 |
10 |
30.22 |
70 |
126 |
4 |
116 |
55 |
50 |
32 |
36.5 |
10 |
25.2 |
A2法兰 | |
|
0.4KW |
5~10 |
22 |
347 |
148 |
185 |
99 |
176 |
195 |
165 |
11 |
10 |
17.66 |
50 |
160 |
3.5 |
131 |
40 |
35 |
22 |
25 |
7 |
11 |
A2法兰 |
|
12.5~25 |
22 |
347 |
148 |
185 |
131 |
195 |
195 |
165 |
11 |
10 |
17.66 |
50 |
160 |
3.5 |
131 |
40 |
35 |
22 |
25 |
7 |
11 |
A2法兰 | |
|
12.5~90 |
28 |
380 |
170 |
220 |
155 |
205 |
|
195 |
φ11
*14L |
9 |
23.11 |
60 |
160 |
4 |
131 |
45 |
40 |
28 |
31 |
7 |
13.4 |
A2法兰 | |
|
100~200 |
32 |
415 |
185 |
255 |
180 |
241 |
|
225 |
15 |
10 |
30.22 |
70 |
160 |
4 |
131 |
55 |
50 |
32 |
36.5 |
10 |
24.4 |
A2法兰 | |
|
250~1800 |
32 |
496 |
185 |
255 |
180 |
241 |
|
225 |
15 |
10 |
30.22 |
70 |
160 |
4 |
131 |
55 |
50 |
32 |
36.5 |
10 |
26.8 |
A2法兰 | |
|
250~1800 |
40 |
569 |
230 |
310 |
219 |
297 |
|
268 |
15 |
13 |
37.96 |
77 |
160 |
5 |
|
65 |
60 |
40 |
44.5 |
10 |
47.4 |
A2法兰 | |