您好,欢迎进入格鲁夫机械设备制造有限公司官网!
减速机|丝杆升降机|减速电机|行业专用减速机|减速机配件|减速机厂|丝杆升降机厂|转向器厂

联系我们

邮箱:china@gelufu.com
电话:0312-6784766
在线咨询

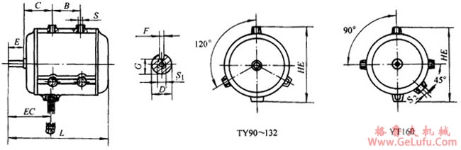
YT系列通风机专用三相异步电动机外形及安装尺寸

发布日期:2023-12-28 21:55 浏览次数:

YT系列通风机专用三相异步电动机外形及安装尺寸(图1) 格鲁夫丝杆升降机

YT系列通风机专用三相异步电动机外形及安装尺寸(图2) QQ:20275456

YT90~160(B30)外形尺寸图(见表2)
表2 (单位:mm)

中心高
功率/KW
B
C
D
E
F
G
EC
S
S1
S2
HE
L
2极
4极
6极
90S
1.5
1.1
0.75
86
66
24j6
50
8
20
120
M12
M6
M18×1.5
185
263
90L
2.2
1.5
1.1
115
66
288
100L12
3
2.2
3
1.5
130
73
24j6
60
24
140
145
215
327
112M
4
4
2.2
130
80
235
341
132S12
5.5
7.5
5.5
3
130
100
24K6
80
10
33
185
M14
275
399
132M12
7.5
4
5.5
168
100
437
160M
11
15
11
4.5
200
120
24K6
110
12
37
335
M16
M8
M20×1.5
335
536
160L
18.5
15
11
244
120
580
QQ:20275456

Copyright © 2023-2025 格鲁夫 版权所有 备案号:冀ICP备19023093号-2

电子营业执照图标 电子营业执照
选择语言
Hello,欢迎来咨询~