Tel:0312-6784766

|
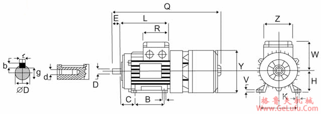
机座号 |
D |
E |
F |
G |
H |
L |
Q |
R |
V |
Y |
Z |
D |
A |
B |
C |
H |
I |
K |
W |
DH |
|
71 |
14 |
30 |
5 |
11.0 |
5 |
188 |
342 |
122 |
8.5 |
140 |
75.0 |
M5 |
112 |
90 |
45 |
71 |
7 |
7 |
118 |
M5×12 |
|
80 |
19 |
40 |
6 |
15.5 |
6 |
202 |
370 |
122 |
8.5 |
159 |
75.0 |
M6 |
125 |
100 |
50 |
80 |
9 |
10 |
134 |
M6×16 |
|
90S |
24 |
50 |
8 |
20.0 |
7 |
308 |
410 |
130 |
10.5 |
179 |
98.5 |
M8 |
140 |
100 |
56 |
90 |
10 |
10 |
140 |
M8×19 |
|
90L |
24 |
50 |
8 |
20.0 |
7 |
328 |
435 |
130 |
10.5 |
179 |
98.5 |
M8 |
140 |
125 |
56 |
90 |
10 |
10 |
140 |
M8×19 |
|
100L |
28 |
60 |
8 |
24.0 |
10 |
375 |
485 |
140 |
11.5 |
199 |
100.0 |
M10 |
160 |
140 |
63 |
100 |
12 |
12 |
160 |
M10×22 |

|
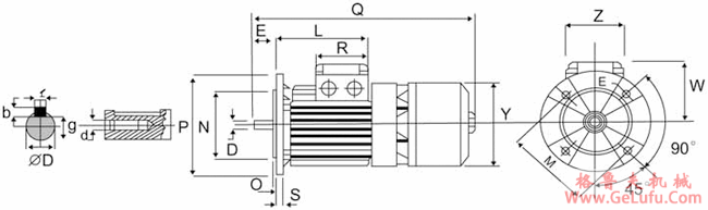
机座号 |
D |
E |
F |
G |
H |
L |
Q |
R |
V |
Y |
Z |
D |
A |
B |
C |
H |
I |
K |
W |
DH |
|
71 |
14 |
30 |
5 |
11.0 |
5 |
188 |
342 |
122 |
8.5 |
140 |
75.0 |
M5 |
112 |
90 |
45 |
71 |
7 |
7 |
118 |
M5×12 |
|
80 |
19 |
40 |
6 |
15.5 |
6 |
202 |
370 |
122 |
8.5 |
159 |
75.0 |
M6 |
125 |
100 |
50 |
80 |
9 |
10 |
134 |
M6×16 |
|
90S |
24 |
50 |
8 |
20.0 |
7 |
308 |
410 |
130 |
10.5 |
179 |
98.5 |
M8 |
140 |
100 |
56 |
90 |
10 |
10 |
140 |
M8×19 |
|
90L |
24 |
50 |
8 |
20.0 |
7 |
328 |
435 |
130 |
10.5 |
179 |
98.5 |
M8 |
140 |
125 |
56 |
90 |
10 |
10 |
140 |
M8×19 |
|
100L |
28 |
60 |
8 |
24.0 |
10 |
375 |
485 |
140 |
11.5 |
199 |
100.0 |
M10 |
160 |
140 |
63 |
100 |
12 |
12 |
160 |
M10×22 |

|
机座号 |
D |
E |
F |
G |
H |
L |
Q |
R |
V |
Y |
Z |
D |
A |
B |
C |
H |
I |
K |
W |
DH |
|
71 |
14 |
30 |
5 |
11.0 |
5 |
188 |
342 |
122 |
8.5 |
140 |
75.0 |
M5 |
112 |
90 |
45 |
71 |
7 |
7 |
118 |
M5×12 |
|
80 |
19 |
40 |
6 |
15.5 |
6 |
202 |
370 |
122 |
8.5 |
159 |
75.0 |
M6 |
125 |
100 |
50 |
80 |
9 |
10 |
134 |
M6×16 |
|
90S |
24 |
50 |
8 |
20.0 |
7 |
308 |
410 |
130 |
10.5 |
179 |
98.5 |
M8 |
140 |
100 |
56 |
90 |
10 |
10 |
140 |
M8×19 |
|
90L |
24 |
50 |
8 |
20.0 |
7 |
328 |
435 |
130 |
10.5 |
179 |
98.5 |
M8 |
140 |
125 |
56 |
90 |
10 |
10 |
140 |
M8×19 |
|
100L |
28 |
60 |
8 |
24.0 |
10 |
375 |
485 |
140 |
11.5 |
199 |
100.0 |
M10 |
160 |
140 |
63 |
100 |
12 |
12 |
160 |
M10×22 |