gelufu.com.cn
www.gelufu.com
|
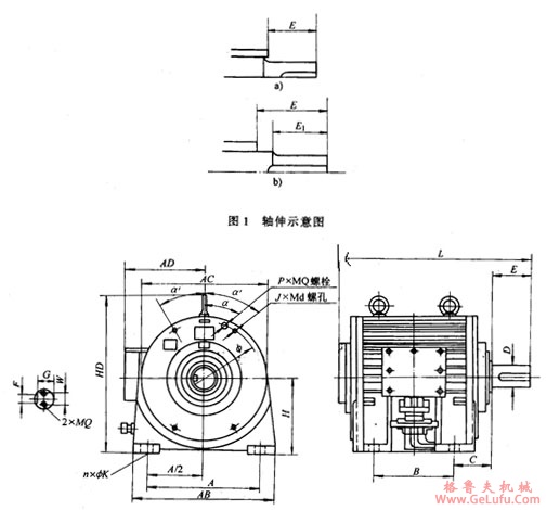
轴绅士图 |
型号 |
A |
B |
C |
D |
E |
E1 |
F |
G |
H |
|
a |
YNZ30-6-W |
400 |
360 |
140 |
80 |
113 |
|
24 |
73 |
280 |
|
a |
YNZ40-6-W |
470 |
400 |
195 |
85 |
140 |
|
24 |
78 |
315 |
|
a |
YNZ45-6-W |
470 |
400 |
195 |
85 |
24 |
78 |
315 | ||
|
a |
YNZ60-6-W |
570 |
370 |
190 |
110 |
180 |
150 |
32 |
99 |
355 |
|
a |
YNZ90-6-W |
570 |
420 |
220 |
110 |
|
170
(128) |
32 |
99
(101) |
355
(360) |
|
a |
YNZ75-6-W |
570 |
420 |
190 |
110 |
180 |
|
32 |
99 |
355 |
|
a |
YNZ150-6-W |
730 |
470 |
260 |
130 |
180 |
|
36 |
118 |
420 |
|
a |
YNZ60-6-W
(标准型) |
470 |
400 |
215 |
110 |
150 |
|
28 |
101 |
355 |
|
轴绅士图 |
型号 |
K |
n |
W |
MQ |
AC |
AD |
HD |
L |
AB |
φ |
a′ |
a |
p×MQ |
J×Md |
|
a |
YNZ-30-6-W |
39 |
4 |
48 |
12 |
510 |
310 |
605 |
765 |
520 |
470 |
30° |
18° |
10×M16 |
4× |
|
a |
YNZ-40-6-W |
45 |
5 |
580 |
350 |
710 |
873 |
590 |
535 |
30° |
18° |
10×M20 |
4× | ||
|
a |
YNZ-45-6-W |
45 |
5 |
580 |
350 |
710 |
900 |
590 |
535 |
30° |
18° |
10×M20 |
4× | ||
|
b |
YNZ-60-6-W |
44 |
6 |
66 |
16 |
700 |
422 |
820 |
933 |
710 |
635 |
30° |
15° |
12×M20 |
4× |
|
b |
YNZ-90-6-W |
50 |
700 |
437 |
820 |
1038 |
710 |
635 |
30° |
15° |
12×M20 |
4× | |||
|
b |
YNZ-75-6-W |
50 |
700 |
437 |
820 |
978 |
710 |
635 |
30° |
15° |
12×M20 |
4× | |||
|
a |
YNZ-150-6-W |
50 |
20 |
780 |
480 |
895 |
1135 |
880 |
735 |
45° |
11′25° |
16×M20 |
4× | ||
|
a |
YNZ-60-6-W
(标准型) |
42 |
5 |
16 |
630 |
370 |
772 |
970 |
630 |
688 |
36° |
18° |
10×M20 |
4× |