您好,欢迎进入格鲁夫机械设备制造有限公司官网!
减速机|丝杆升降机|减速电机|行业专用减速机|减速机配件|减速机厂|丝杆升降机厂|转向器厂

联系我们

邮箱:china@gelufu.com
电话:0312-6784766
在线咨询

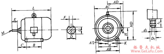
YTH系列塔式起重机回转机构用三相异步电动机外形尺寸

发布日期:2023-12-28 21:16 浏览次数:

YTH系列塔式起重机回转机构用三相异步电动机外形尺寸(图1) 手机:13331225020

YTH系列塔式起重机回转机构用三相异步电动机外形尺寸(图2)

Tel:0312-6784766

型号
A
B
C
D
E
F
G
H
K
AB
AC
AD
HD
L
D1
d1
l1
M
YTH112-4(4.4kw)
190
140
70
28
60
8
24
112
φ12
245
230
190
265
400
20
16
30
M8×16.5
YTH132-4(6KW)
216
140
89
38
80
10
33
132
12
280
270
210
315
415
20
16
30
M12×25
YTH132M-4(9KW)
216
178
89
38
80
10
33
132
12
280
270
210
315
515
20
16
30
M12×25

Copyright © 2023-2025 格鲁夫 版权所有 备案号:冀ICP备19023093号-2

电子营业执照图标 电子营业执照
选择语言
Hello,欢迎来咨询~