邮箱:china@gelufu.com
|
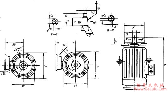
机座号 |
A |
B |
C |
D① |
D1 |
E |
E1 |
F |
G |
H |
K |
螺栓
直径 |
AB |
AC |
BB |
HD |
L |
LC |
|
112M |
190 |
140 |
70 |
32
|
― |
80 |
― |
10 |
27 |
112 |
12 |
M10 |
250 |
235 |
225 |
315 |
425 |
500 |
|
132 M |
216 |
178 |
89 |
38 |
― |
33 |
132 |
M12 |
275 |
285 |
240 |
355 |
495 |
570 | ||||
|
160 M |
254 |
210 |
108 |
48
|
― |
110 |
14 |
42.5 |
160 |
15 |
320
|
320 |
290 |
415 |
610 |
710 | ||
|
160L |
254 |
19.5 |
330 |
655 |
760 | |||||||||||||
|
180L |
279
|
279 |
121 |
55 |
|
82 |
180 |
360 |
360 |
380 |
470 |
690 |
800 | |||||
|
200L |
318
|
218 |
133 |
60 |
|
140 |
105 |
16 |
21.4 |
200 |
19 |
M16 |
406 |
406 |
390 |
520 |
790 |
920 |
|
225 M |
356 |
356 |
149 |
65 |
|
23.9 |
225 |
455 |
425 |
410 |
560 |
850 |
990 | |||||
|
250 M |
406 |
706 |
168 |
70 |
|
25.4 |
250 |
24 |
M20 |
515 |
470 |
500 |
625 |
945 |
1100 |
|
机座号 |
凸缘号 |
D① |
D |
E |
E |
F |
G |
M |
N |
P① |
S |
螺栓直径 |
孔数(个) |
AD |
L |
|
112M |
FF215 |
32 |
―
|
80 |
― |
10 |
27 |
215 |
180 |
250 |
15 |
M12 |
4 |
203 |
425 |
|
132 M |
FF265 |
38 |
33 |
265 |
230 |
300 |
218 |
495 | |||||||
|
160 M |
FF300 |
48 |
|
|
14 |
42.5 |
300 |
250 |
350 |
19
|
M16
|
250 |
610 | ||
|
160L |
655 | ||||||||||||||
|
180L |
FF 400 |
55 |
M36×3 |
110 |
82 |
19.9 |
285 |
690 | |||||||
|
200L |
60 |
M42×3 |
105 |
16 |
21.4 |
400 |
350 |
450 |
8 |
317 |
790 | ||||
|
225 M |
65 |
23.9 |
335 |
850 | |||||||||||
|
250 M |
70 |
M48×3 |
140 |
18 |
25.4 |
500 |
450 |
550 |
375 |
945 |

|
机座号 |
凸缘号 |
D① |
D |
E |
E |
F |
G |
M |
N |
P① |
S |
螺栓直径 |
孔数(个) |
AD |
L |
|
112M |
FF215 |
32 |
― |
80 |
― |
10 |
27 |
215 |
180 |
250 |
15 |
M12 |
4 |
203 |
425 |
|
132 M |
FF265 |
38 |
33 |
265 |
230 |
300 |
218 |
495 | |||||||
|
160 M |
FF300 |
48 |
110 |
14 |
42.5 |
300 |
250 |
350 |
19 |
M16 |
250 |
610 | |||
|
160 M |
655 | ||||||||||||||
|
180 M |
FF300 |
55 |
M36×3 |
82 |
19.9 |
285 |
690 | ||||||||
|
200 M |
FF400S |
60 |
M42
×3 |
140 |
105 |
16 |
21.4 |
400 |
350 |
450 |
8 |
317 |
790 | ||
|
225 M |
65 |
23.9 |
335 |
850 | |||||||||||
|
250 M |
FF500 |
70 |
M48×3 |
18 |
25.4 |
500 |
450 |
550 |
375 |
945 |