您好,欢迎进入格鲁夫机械设备制造有限公司官网!
减速机|丝杆升降机|减速电机|行业专用减速机|减速机配件|减速机厂|丝杆升降机厂|转向器厂

联系我们

邮箱:china@gelufu.com
电话:0312-6784766
地址:莲池区焦庄乡 在线咨询

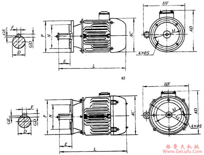
YEZ系列锥形转子三相异步电动机外形尺寸(H112~180mm)

发布日期:2023-12-28 21:10 浏览次数:

YEZ系列锥形转子三相异步电动机外形尺寸(H112~180mm)(图1) 格鲁夫减速机

建筑卷扬机(JK型)用的形转子电动机外形及安装尺寸 手机:13331225020

YEZ系列锥形转子三相异步电动机外形尺寸(H112~180mm)(图2) gelufu.com.cn

表5 (单位:mm) Tel:0312-6784766

型号
轴伸键槽
E
P
N
M
S
AC
AD
L(工作时)
HF
L2
D
GD
GE
F
YEJ112M-4
28
7
4
8
60
250
180
215
15
272
307
423
315.6
YEJ132S-4
38
8
5
10
80
300
230
265
15
328
352.5
507
372
YEJ160S1-4
10D-35×28×4
-
35
350
250
300
19
328
352.5
462
372
YEJ132M1-4
38
8
5
10
80
300
230
265
15
328
352.5
532
372
YEJ160M1-4
10D-35×28×4
-
35
350
250
300
19
328
325.5
487
372
YEJ160S-4
42
8
5
12
110
350
250
300
19
396
428
610
436
432
YEJ160M-4
42
8
5
12
110
350
250
300
19
396
432
643
430
432
YEJ160L-4
42
8
5
12
110
350
250
300
19
396
432
643
430
432
YEJ180M-4
48
8
5.5
14
110
350
250
300
19
396
432
671
451.5
432
gelufu.com.cn

混凝土搅拌机(JZ型)用的系列锥形转子电动机外形及安装尺寸 格鲁夫丝杆升降机

YEZ系列锥形转子三相异步电动机外形尺寸(H112~180mm)(图3) 格鲁夫齿轮箱

型号
D
d
b
E
p
N
M
S
AC
AP
L(工作时)
R1
R2
R3
H
K
S1
YEJ31-4
28
23.5
8
60
250
180
215
15
272
190
451
YEJ31-4
32
28
28
27
24
24
10
8
8
80
60
82
300
250
300
240
180
190
265
215
270
13
15
13
272
169
441
450
443.5
194
117
60
85.4
60
9
YEJ31-4
38
33
10
80
300
230
265
15
344
210
546
mail:china@gelufu.com

Copyright © 2023-2025 格鲁夫 版权所有 备案号:冀ICP备19023093号-2

电子营业执照图标 电子营业执照