您好,欢迎进入格鲁夫机械设备制造有限公司官网!
减速机|丝杆升降机|减速电机|行业专用减速机|减速机配件|减速机厂|丝杆升降机厂|转向器厂

联系我们

邮箱:china@gelufu.com
电话:0312-6784766
在线咨询

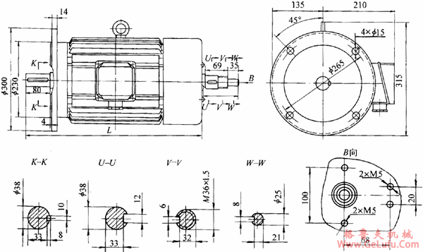
YTDP210型小功率变频调速电梯用三相异步电动机外形尺寸

发布日期:2023-12-28 21:09 浏览次数:

YTDP210型小功率变频调速电梯用三相异步电动机外形尺寸(图1) www.gelufu.com.cn

YTDP210型电动机外形尺寸图(IM3002 QQ:47447450

YTDP210型小功率变频调速电梯用三相异步电动机外形尺寸(图2) 格鲁夫减速机

型号
功率/kW
极数
L/mm
型号
功率/kW
极数
L/mm
YTDP210.13-4
5.5
4
475
YTDP210.18-4
6.4
4
525
YTDP210.13-6
3
6
YTDP210.20-6
5.5
6
YTDP210.16-6
4
6
525
YTDP210.20-6
6.4
6
YTDP210.18-4
7.5
4

电话:0312-6784766

Copyright © 2023-2025 格鲁夫 版权所有 备案号:冀ICP备19023093号-2

电子营业执照图标 电子营业执照
选择语言
Hello,欢迎来咨询~