您好,欢迎进入格鲁夫机械设备制造有限公司官网!
减速机|丝杆升降机|减速电机|行业专用减速机|减速机配件|减速机厂|丝杆升降机厂|转向器厂

联系我们

邮箱:china@gelufu.com
电话:0312-6784766
在线咨询

YQF、YRQF系列高压三相异步电动机产品特点及标记方法

发布日期:2023-12-28 21:03 浏览次数:

YQF、YRQF系列高压三相异步电动机产品特点及标记方法(图1) gelufu.com.cn

特点:
YQF系列笼型转子气候防护型电动机、YRQF系列绕线转子气候防护型电动机均为我国20世纪90年代开发的统一设计新产品,其功率等级、安装尺寸和电气性能指标符合原机械电子工业部装备司企业标准《YQF、YRQF系列高压三相异步电动机技术条件(机座号355~630)》的规定。
该YQF、YRQF系列电动机为驱动各种不同的机械之用,如通风机、压缩机、水泵、破碎机、磨煤机、切削机床、塑料或橡胶机械、运输机械及其他设备等,并可供矿山、化工、冶金、发电厂及各种工矿企业作原动机之用。YQF系列电动机为气候防护型电动机,能在户外一般环境中使用。YRQF系列电动机也为气候防护型电机,其中心高H560~630mm因为采用切向键,可用于传动轧钢机、卷扬机等频繁起动、正反转场合。
YQF、FRQF系列电动机额定电压为6KV,额定频率为50Hz,可按订货要求制造其他电压或频率电动机,电动机的定额为连续工作制(S1)。
YQFYRQF系列电动机的安装方式为 IMB3,防护等级为 IPW24,均为箱式结构,YQF系列为笼型转子,YRQF系列为绕线转子。电动机采用F级绝缘,按B级考核。电动机有一个圆柱形轴伸,可用联轴器与被驱动的机械联接。其中YRQF系列H560630mm采用切向键。
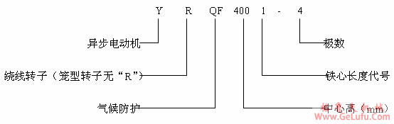
标记方法:
YQF、YRQF系列高压三相异步电动机产品特点及标记方法(图2)

Copyright © 2023-2025 格鲁夫 版权所有 备案号:冀ICP备19023093号-2

电子营业执照图标 电子营业执照
选择语言
Hello,欢迎来咨询~