gelufu.com.cn
gelufu.com
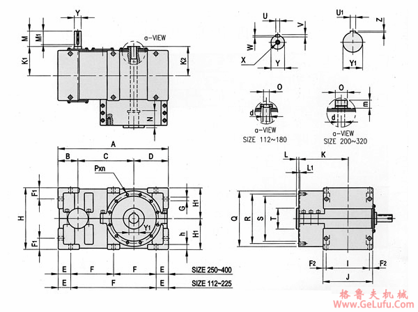
TEX-2P齿轮减速机外形及安装尺寸 QQ:20275456
Mobile:13331225020
邮箱:china@gelufu.com
|
型号 |
A |
B |
C |
D |
E |
F |
F1 |
F2 |
G |
|
112 |
397 |
70 |
202 |
125 |
45 |
307 |
42 |
12 |
14 |
|
125 |
445 |
80 |
225 |
140 |
50 |
345 |
45 |
12 |
16 |
|
140 |
502 |
90 |
252 |
160 |
56 |
390 |
48 |
15 |
18 |
|
160 |
565 |
100 |
285 |
180 |
63 |
439 |
50 |
15.5 |
20 |
|
180 |
632 |
112 |
320 |
200 |
70 |
492 |
60 |
18 |
22 |
|
200 |
710 |
125 |
360 |
225 |
80 |
550 |
70 |
20 |
24 |
|
225 |
795 |
140 |
405 |
250 |
90 |
615 |
80 |
22.5 |
27 |
|
250 |
890 |
160 |
450 |
280 |
100 |
345 |
90 |
26 |
30 |
|
280 |
1000 |
180 |
505 |
315 |
112 |
388 |
100 |
30 |
33 |
|
320 |
1125 |
200 |
570 |
355 |
125 |
437.5 |
112 |
35 |
36 |
|
360 |
1265 |
225 |
640 |
400 |
140 |
492.5 |
125 |
40 |
39 |
|
400 |
1420 |
250 |
720 |
450 |
160 |
550 |
140 |
45 |
42 |
www.gelufu.com.cn
|
型号 |
H |
H1 |
h |
l |
J |
K |
K1 |
K2 |
L |
L1 |
M |
|
112 |
224 |
112 |
16 |
160 |
184 |
180 |
115 |
115 |
8 |
5 |
56 |
|
125 |
250 |
125 |
17 |
180 |
204 |
205 |
130 |
130 |
8 |
5 |
63 |
|
140 |
280 |
140 |
18 |
200 |
230 |
215 |
145 |
145 |
8 |
5 |
70 |
|
160 |
320 |
160 |
21 |
225 |
256 |
250 |
160 |
160 |
17 |
6 |
80 |
|
180 |
360 |
180 |
26 |
250 |
286 |
275 |
175 |
175 |
17 |
6 |
90 |
|
200 |
400 |
200 |
31 |
280 |
320 |
320 |
190 |
200 |
18 |
6 |
100 |
|
225 |
450 |
225 |
36 |
315 |
360 |
355 |
210 |
220 |
18 |
6 |
112 |
|
250 |
500 |
250 |
42 |
355 |
407 |
405 |
235 |
245 |
20 |
8 |
125 |
|
280 |
560 |
280 |
48 |
400 |
460 |
445 |
260 |
270 |
20 |
8 |
140 |
|
320 |
630 |
315 |
50 |
450 |
520 |
490 |
290 |
300 |
20 |
8 |
160 |
|
360 |
710 |
355 |
55 |
500 |
580 |
560 |
322 |
332 |
24 |
10 |
180 |
|
400 |
800 |
400 |
60 |
560 |
650 |
640 |
370 |
370 |
24 |
10 |
200 |
格鲁夫丝杆升降机
|
型号 |
M1 |
m |
N |
n |
O |
P |
d |
Q |
R |
SH7 |
T |
|
112 |
45 |
|
60 |
8 |
M14 |
M12 |
20 |
200 |
170 |
150 |
70 |
|
125 |
50 |
|
80 |
8 |
M18 |
M12 |
22 |
230 |
205 |
180 |
80 |
|
140 |
60 |
|
80 |
8 |
M18 |
M12 |
22 |
260 |
230 |
200 |
90 |
|
160 |
70 |
|
80 |
8 |
M18 |
M16 |
26 |
300 |
260 |
230 |
110 |
|
180 |
80 |
|
110 |
8 |
M24 |
M20 |
35 |
350 |
300 |
260 |
130 |
|
200 |
90 |
40 |
110 |
8 |
M85 |
M20 |
45 |
380 |
330 |
290 |
140 |
|
225 |
100 |
40 |
140 |
12 |
M85 |
M20 |
55 |
400 |
350 |
310 |
160 |
|
250 |
110 |
40 |
140 |
12 |
M85 |
M24 |
55 |
450 |
400 |
365 |
170 |
|
280 |
130 |
40 |
140 |
12 |
M90 |
M24 |
60 |
500 |
450 |
400 |
180 |
|
320 |
150 |
40 |
140 |
12 |
M90 |
M24 |
60 |
600 |
500 |
450 |
190 |
|
360 |
170 |
40 |
160 |
12 |
M120 |
M30 |
80 |
680 |
600 |
520 |
200 |
|
400 |
190 |
50 |
180 |
12 |
M120 |
M33 |
80 |
750 |
680 |
600 |
220 |
|
型号 |
UH9 |
U1H9 |
V |
W |
X |
Y |
Y1H7 |
Z |
重量KG |
油量L |
|
112 |
8 |
8 |
7 |
4 |
M6 |
24k6 |
28H7 |
3.3 |
78 |
3.5 |
|
125 |
8 |
10 |
7 |
4 |
M8 |
28k6 |
32H7 |
3.3 |
108 |
4.5 |
|
140 |
10 |
10 |
8 |
5 |
M8 |
32k6 |
38H7 |
3.3 |
150 |
6 |
|
160 |
10 |
12 |
8 |
5 |
M10 |
35k6 |
42H7 |
3.3 |
210 |
8 |
|
180 |
12 |
14 |
8 |
5 |
M10 |
40k6 |
48H7 |
3.8 |
310 |
12 |
|
200 |
14 |
18 |
9 |
5.5 |
M10 |
45k6 |
60H7 |
4.4 |
446 |
18 |
|
225 |
14 |
20 |
9 |
5.5 |
M12 |
50m6 |
70H7 |
4.9 |
575 |
24 |
|
250 |
16 |
22 |
10 |
6 |
M12 |
55m6 |
80H7 |
5.4 |
770 |
33 |
|
280 |
18 |
25 |
11 |
7 |
M12 |
60m6 |
90H7 |
5.4 |
1082 |
43 |
|
320 |
20 |
28 |
12 |
7.5 |
M16 |
70m6 |
100H7 |
6.4 |
1415 |
55 |
|
360 |
22 |
28 |
14 |
9 |
M16 |
80m6 |
110H7 |
6.4 |
2500 |
79 |
|
400 |
25 |
32 |
14 |
9 |
M20 |
90m6 |
125H7 |
7.4 |
3500 |
105 |