gelufu.com
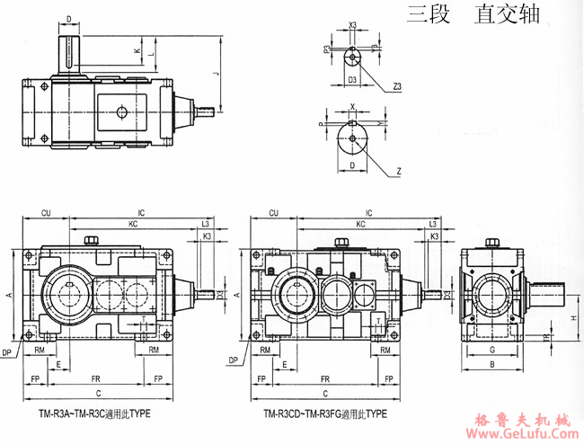
TM系列齿轮减速机三段直交轴外形及安装尺寸 手机:13331225020
gelufu
|
型号 |
A |
B |
C |
CU |
IC |
KC |
E |
FP |
FR |
G |
H |
J |
RM |
T |
TR |
DP |
|
TM-R3A |
320 |
265 |
590 |
200 |
656 |
576 |
110 |
90 |
410 |
215 |
160 |
330 |
120 |
24 |
28 |
3/4" |
|
TM-R3AB |
370 |
265 |
640 |
219 |
687 |
607 |
129 |
90 |
460 |
215 |
185 |
330 |
120 |
24 |
28 |
3/4" |
|
TM-R3B |
400 |
315 |
685 |
235 |
716 |
636 |
120 |
115 |
455 |
255 |
200 |
349 |
150 |
28 |
30 |
3/4" |
|
TM-R3C |
420 |
345 |
775 |
255 |
808 |
728 |
138.5 |
116.5 |
542 |
285 |
210 |
411 |
150 |
28 |
32 |
1" |
|
TM-R3CD |
490 |
345 |
845 |
286 |
847 |
767 |
171 |
115 |
615 |
285 |
245 |
411 |
150 |
28 |
32 |
1" |
|
TM-R3D |
530 |
380 |
885 |
291 |
939 |
829 |
151 |
135 |
615 |
310 |
265 |
440 |
180 |
35 |
35 |
1" |
|
TM-R3E |
600 |
430 |
1020 |
328 |
1027 |
917 |
163 |
160 |
700 |
350 |
300 |
509 |
215 |
42 |
40 |
1" |
|
TM-R3EF |
670 |
430 |
1120 |
375 |
1080 |
970 |
210 |
160 |
800 |
350 |
335 |
562 |
220 |
42 |
52 |
1" |
|
TM-R3F |
670 |
460 |
1155 |
370 |
1176 |
1036 |
206 |
160 |
835 |
380 |
335 |
582 |
220 |
42 |
52 |
1" |
|
TM-R3FG |
750 |
460 |
1255 |
414 |
1232 |
1092 |
249 |
160 |
935 |
380 |
375 |
585 |
220 |
42 |
52 |
1" |
|
型号 |
D |
L |
K |
X |
Y |
P |
Z |
D3 |
L3 |
K3 |
X3 |
Y3 |
P3 |
Z3 |
重量KG |
油量L |
|
TM-R3A |
80m6 |
170 |
150 |
22 |
14 |
9 |
M16 |
28k6 |
80 |
70 |
8 |
7 |
4 |
M8 |
225 |
11 |
|
TM-R3AB |
90m6 |
170 |
150 |
25 |
14 |
9 |
M16 |
28k6 |
80 |
70 |
8 |
7 |
4 |
M8 |
245 |
13 |
|
TM-R3B |
95m6 |
170 |
150 |
25 |
14 |
9 |
M16 |
30k6 |
80 |
70 |
8 |
7 |
4 |
M8 |
325 |
17 |
|
TM-R3C |
110m6 |
210 |
190 |
28 |
16 |
10 |
M16 |
35k6 |
80 |
70 |
10 |
8 |
5 |
M10 |
460 |
22 |
|
TM-R3CD |
120m6 |
210 |
185 |
32 |
18 |
11 |
M16 |
35k6 |
80 |
70 |
10 |
8 |
5 |
M10 |
525 |
29 |
|
TM-R3D |
125m6 |
210 |
185 |
32 |
18 |
11 |
M16 |
45k6 |
110 |
95 |
14 |
9 |
5.5 |
M10 |
675 |
32 |
|
TM-R3E |
145m6 |
250 |
225 |
36 |
20 |
12 |
M20 |
50k6 |
110 |
95 |
14 |
9 |
5.5 |
M10 |
955 |
48 |
|
TM-R3EF |
160m6 |
300 |
275 |
40 |
22 |
13 |
M20 |
50k6 |
110 |
95 |
14 |
9 |
5.5 |
M10 |
1210 |
57 |
|
TM-R3F |
165m6 |
300 |
275 |
40 |
22 |
13 |
M20 |
60m6 |
140 |
125 |
18 |
11 |
7 |
M12 |
1370 |
65 |
|
TM-R3FG |
175m6 |
300 |
270 |
45 |
25 |
15 |
M20 |
60m6 |
140 |
125 |
18 |
11 |
7 |
M12 |
1630 |
79 |
格鲁夫齿轮箱
fax:0312-6784733
格鲁夫齿轮箱