手机:13331225020
gelufu.com.cn


|
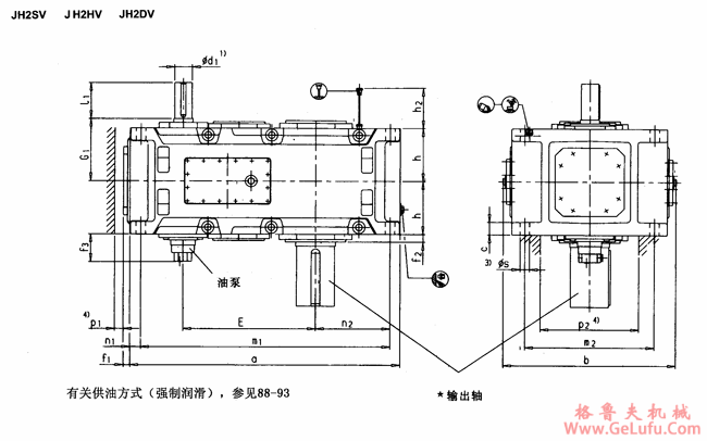
规格 |
尺寸mm | ||||||||||||
|
输 入 轴 | |||||||||||||
|
iN=6.3-11.2 |
iN=7.1-12.5 |
iN=8-14 |
iN=12.5-20 |
iN=14-22.4 |
iN=16-25 |
G1 | |||||||
|
d11) |
I1 |
d11) |
I1 |
d11) |
I1 |
d11) |
I1 |
d11) |
I1 |
d11) |
I1 | ||
|
13 |
100 |
205 |
|
|
|
|
85 |
170 |
|
|
|
|
330 |
|
14 |
|
|
|
|
100 |
205 |
|
|
|
|
85 |
170 |
330 |
|
15 |
120 |
210 |
|
|
|
|
100 |
210 |
|
|
|
|
365 |
|
16 |
|
|
120 |
210 |
|
|
|
|
100 |
210 |
|
|
365 |
|
17 |
125 |
245 |
|
|
|
|
110 |
210 |
|
|
|
|
420 |
|
18 |
|
|
125 |
245 |
|
|
|
|
110 |
210 |
|
|
420 |
|
19 |
|
|
|
|
|
根据用户要求供货 |
|
|
|
|
|
| |
|
20 |
|
|
|
|
|
|
|
|
|
|
| ||
|
21 |
|
|
|
|
|
|
|
|
|
|
| ||
|
22 |
|
|
|
|
|
|
|
|
|
|
| ||
|
规格 |
尺寸mm | |||||||||||||||
|
齿 轮 箱 | ||||||||||||||||
|
a |
b |
c |
E |
f1 |
f2 |
f3 |
h |
h2 |
m1 |
m2 |
n1 |
n2 |
p14) |
p24) |
s | |
|
13 |
1290 |
900 |
61±2 |
635 |
53 |
35 |
130 |
272.5 |
300 |
1195 |
680 |
50 |
360 |
50 |
500 |
48 |
|
14 |
1430 |
900 |
61±2 |
705 |
53 |
35 |
130 |
272.5 |
300 |
1335 |
680 |
50 |
430 |
50 |
500 |
48 |
|
15 |
1550 |
980 |
72±2 |
762 |
63 |
42 |
130 |
310 |
340 |
1435 |
750 |
60 |
430 |
50 |
570 |
55 |
|
16 |
1640 |
980 |
72±2 |
808 |
63 |
42 |
130 |
310 |
340 |
1525 |
750 |
60 |
475 |
50 |
570 |
55 |
|
17 |
1740 |
1110 |
81±2 |
860 |
60 |
42 |
170 |
340 |
374 |
1610 |
850 |
70 |
465 |
70 |
630 |
55 |
|
18 |
1860 |
1110 |
81±2 |
920 |
60 |
42 |
170 |
340 |
374 |
1730 |
850 |
70 |
525 |
70 |
630 |
55 |
|
19 |
|
|
|
|
|
|
根据用户要求供货 |
|
|
|
|
|
|
| ||
|
20 |
|
|
|
|
|
|
|
|
|
|
|
|
| |||
|
21 |
|
|
|
|
|
|
|
|
|
|
|
|
| |||
|
22 |
|
|
|
|
|
|
|
|
|
|
|
|
| |||
|
规格 |
尺寸mm |
润滑油
(I) |
重量
(kg) | ||||||||
|
输出轴 | |||||||||||
|
JH2SV |
JH2HV |
JH2DV | |||||||||
|
d21) |
G2 |
I2 |
D22) |
G4 |
D3 |
D4 |
G4 |
G5 | |||
|
13 |
200 |
335 |
350 |
190 |
335 |
190 |
195 |
335 |
480 |
80 |
1880 |
|
14 |
210 |
335 |
350 |
210 |
335 |
210 |
215 |
335 |
480 |
90 |
2430 |
|
15 |
230 |
380 |
410 |
230 |
380 |
230 |
235 |
380 |
550 |
140 |
3240 |
|
16 |
240 |
380 |
410 |
240 |
380 |
240 |
240 |
380 |
550 |
150 |
3465 |
|
17 |
250 |
415 |
410 |
250 |
415 |
250 |
250 |
415 |
600 |
175 |
4420 |
|
18 |
270 |
415 |
470 |
275 |
415 |
280 |
280 |
415 |
600 |
185 |
4870 |
|
19 |
|
|
|
|
根据用户要求供货 |
|
|
|
|
| |
|
20 |
|
|
|
|
|
|
|
|
| ||
|
21 |
|
|
|
|
|
|
|
|
| ||
|
22 |
|
|
|
|
|
|
|
|
| ||