gelufu.com
格鲁夫减速机


Mobile:13331225020
|
机座号 |
减速机支架板厚 |
橡皮块垫厚 |
|
TW06 |
10~12 |
12~16 |
|
TW08 |
12~14 |
16~20 |
|
TW10
TWC10 |
14~16 |
20~25 |
|
TW12
TWC12 |
16~18 |
25~30 |
|
TW16
TWC16 |
18~20 |
25~35 |
|
TW20
TWC20 |
22~24 |
35~40 |
|
TW25
TWC25 |
24~28 |
35~45 |
传真:0312-6784733
|
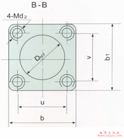
尺寸
机座代号 |
a |
h |
a1 |
b |
b0 |
b1 |
c |
D
(H7) |
d1 |
d2 |
L |
K |
e1 |
e2 |
f |
n |
r |
u |
v |
重量
kg |
|
TW06 |
125 |
285 |
180 |
168 |
20 |
160 |
82 |
Φ148 |
Φ14 |
M10 |
185 |
161 |
42 |
50 |
24
23
17 |
80 |
29 |
128 |
120 |
27.1 |
|
TW08 |
160 |
358 |
230 |
210 |
20 |
200 |
87.75 |
Φ190 |
Φ20 |
M10 |
235.75 |
188 |
47.75 |
73.5 |
43
32
80 |
96 |
40 |
154 |
154 |
42.6 |
|
TW10 |
200 |
452 |
297 |
274 |
25 |
250 |
98 |
Φ226 |
Φ22 |
M12 |
261 |
208 |
53 |
84 |
35
27
80 |
127 |
51 |
210 |
186 |
72.8 |
|
TW12 |
250 |
566 |
360 |
346 |
30 |
304 |
111.25 |
Φ266 |
Φ26 |
M16 |
307.25 |
255 |
61.25 |
88 |
47
55
128 |
160 |
55 |
274 |
240 |
141.3 |
|
TW16 |
315 |
705 |
440 |
400 |
40 |
340 |
120.75 |
Φ280 |
Φ34 |
M16 |
331.25 |
264 |
65.75 |
100 |
50
70
132 |
220 |
75 |
320 |
260 |
210.0 |
|
TW20 |
400 |
820 |
525 |
500 |
50 |
340 |
127.75 |
Φ280 |
Φ40 |
M16 |
385.25 |
318 |
67.57 |
104 |
76 |
250 |
80 |
320 |
260 |
320 |
|
TW25 |
500 |
1050 |
867 |
620 |
70 |
560 |
135.75 |
Φ320 |
Φ40 |
M20 |
429.75 |
356.5 |
75.75 |
112 |
92 |
310 |
95 |
380 |
360 |
780 |
QQ:20275456
gelufu.com