www.gelufu.com.cn
格鲁夫
www.gelufu.com
WX:grove_company
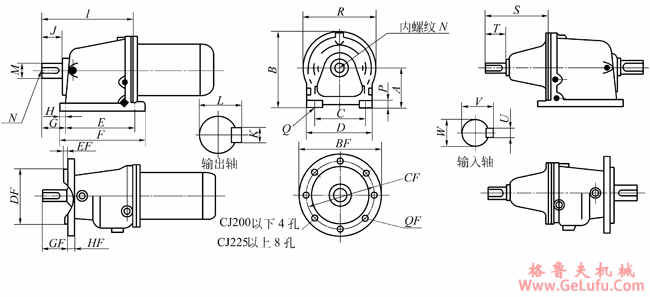
径向载荷
gelufu
径向载荷
格鲁夫配件
|
机座号 |
A |
B |
C |
D |
E |
F |
G |
H |
I |
J |
J |
L |
M |
N |
P |
|
TCJ100 |
100 |
195 |
150 |
180 |
145 |
171 |
57 |
13 |
193 |
40 |
6h9 |
21.5 |
19j6 |
M6 |
16 |
|
TCJ112 |
112 |
215 |
170 |
196 |
170 |
200 |
66 |
13 |
227 |
50 |
8h9 |
27 |
24 j6 |
M8 |
16 |
|
TCJ132 |
132 |
257 |
205 |
240 |
190 |
228 |
88 |
19 |
265 |
80 |
8 h9 |
31 |
28 j6 |
M10 |
20 |
|
TCJ160 |
160 |
310 |
240 |
290 |
215 |
255 |
107 |
20 |
309 |
80 |
10 h9 |
41 |
38 j6 |
M12 |
25 |
|
TCJ180 |
180 |
345 |
270 |
320 |
235 |
285 |
145 |
25 |
370 |
110 |
12 h9 |
45 |
42 j6 |
M12 |
30 |
|
TCJ200 |
200 |
380 |
300 |
350 |
260 |
310 |
145 |
25 |
387 |
110 |
14 h9 |
51.5 |
48 j6 |
M12 |
30 |
|
TCJ225 |
225 |
425 |
335 |
390 |
280 |
340 |
153 |
30 |
420 |
110 |
16 h9 |
59 |
55 m6 |
M16 |
35 |
|
TCJ250 |
250 |
450 |
380 |
450 |
315 |
385 |
177 |
35 |
471 |
140 |
18 h9 |
69 |
65 m6 |
M20 |
40 |
|
TCJ280 |
280 |
490 |
430 |
500 |
340 |
410 |
183 |
35 |
491 |
140 |
20 h9 |
79.5 |
75 m6 |
M24 |
40 |
|
TCJ315 |
315 |
565 |
440 |
520 |
440 |
520 |
220 |
40 |
640 |
175 |
22 h9 |
90 |
85 m6 |
M24 |
45 |
|
TCJ355 |
355 |
630 |
490 |
580 |
480 |
560 |
220 |
40 |
680 |
175 |
25 h9 |
100 |
95 m6 |
M24 |
50 |
|
TCJ400 |
400 |
700 |
540 |
640 |
520 |
600 |
255 |
40 |
750 |
210 |
28 h9 |
116 |
110 m6 |
M24 |
60 |
|
机座号 |
Q |
R |
S |
T |
U |
V |
W |
BF |
CF |
DF |
EF |
GF |
HF |
QF |
重量(kg)(不含电机) |
|
TCJ100 |
10 |
190 |
140 |
40 |
6h9 |
21.5 |
19j6 |
250 |
215 |
180j6 |
4 |
40 |
13 |
14 |
20 |
|
TCJ112 |
10 |
206 |
140 |
60 |
6 h9 |
21.5 |
19 j6 |
250 |
215 |
180 j6 |
4 |
50 |
13 |
14 |
25 |
|
TCJ132 |
12 |
250 |
160 |
50 |
8 h9 |
27 |
24 j6 |
300 |
265 |
230 j6 |
4 |
60 |
14 |
14 |
37 |
|
TCJ160 |
14 |
300 |
190 |
60 |
8 h9 |
31 |
28 j6 |
350 |
300 |
250 j6 |
5 |
80 |
16 |
18 |
62 |
|
TCJ180 |
18 |
330 |
220 |
80 |
10 h9 |
35 |
32 j6 |
350 |
300 |
250 j6 |
5 |
110 |
18 |
18 |
92 |
|
TCJ200 |
18 |
360 |
255 |
80 |
10 h9 |
41 |
38 j6 |
400 |
350 |
300 j6 |
5 |
110 |
18 |
18 |
118 |
|
TCJ225 |
22 |
400 |
255 |
80 |
10 h9 |
41 |
38 j6 |
450 |
400 |
350 j6 |
5 |
110 |
20 |
18 |
155 |
|
TCJ250 |
26 |
440 |
265 |
110 |
12 h9 |
45 |
42 j6 |
550 |
500 |
450 j6 |
5 |
140 |
22 |
18 |
190 |
|
TCJ280 |
26 |
480 |
275 |
110 |
14 h9 |
51.5 |
48 j6 |
550 |
500 |
450 j6 |
5 |
140 |
22 |
18 |
250 |
|
TCJ315 |
30 |
500 |
300 |
110 |
16 h9 |
59 |
55 j6 |
/ |
/ |
/ |
/ |
/ |
/ |
/ |
360 |
|
TCJ355 |
33 |
550 |
340 |
140 |
18 h9 |
64 |
60 j6 |
/ |
/ |
/ |
/ |
/ |
/ |
/ |
500 |
|
TCJ400 |
33 |
600 |
370 |
140 |
20 h9 |
74.5 |
70 j6 |
/ |
/ |
/ |
/ |
/ |
/ |
/ |
625 |