您好,欢迎进入格鲁夫机械设备制造有限公司官网!
|
网站地图
|
Tag标签
|
在线留言
|
联系我们
网站首页
Home
关于我们
ABOUT US
关于我们
售后保障
产品中心
PRODUCT
蜗轮减速机
齿轮减速机
丝杆升降机
减速电机
精密减速机
行业专用减速机
联轴器
摆线针轮减速机
技术文章
NEWS
蜗轮减速机
齿轮减速机
摆线针轮减速机
精密减速机
丝杆升降机
行星齿轮减速机
行业专用减速机
联轴器
减速机相关
问题解疑
减速电机
无极变速器
国外及港台减速机
电机
合作案例
CASE
售后服务
service
在线留言
MESSAGE
联系我们
CONTACT US
技术文章
蜗轮减速机
齿轮减速机
摆线针轮减速机
精密减速机
丝杆升降机
行星齿轮减速机
行业专用减速机
联轴器
减速机相关
问题解疑
减速电机
无极变速器
国外及港台减速机
电机
推荐产品
WGC8型垂直安
GⅠCLZ1型鼓
TGL11型鼓形
WPWV系列蜗轮
联系我们
邮箱:
china@gelufu.com
电话:
0312-6784766
在线咨询
主页
>
技术文章
>
齿轮减速机
齿轮减速机
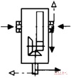
B系列布置形式(带键空心轴)
发布日期:2023-12-28 18:50
浏览次数:
QQ:20275456
B2HH
A/B
C/D
B2HV
A/B
C/D
B3HH
A/B
C/D
B3HV
A/B
C/D
B4HH
A/B
C/D
B4HV
A/B
C/D
上一篇:B系列布置形式(带收缩盘空心轴)
下一篇:T系列螺旋锥齿轮传动箱概述及结构图
查看更多 >>
推荐资讯
BMF型摆线液压马达产品简介及技术参数与
BMF型摆线液压马达简介,BMF型摆线液压马达特点,BMF型摆线液压马达参数,BMF型摆线液压马达具体型号,BMF型摆线...
ADC系列摆线减速机型号表示法
ADC系列行星摆线针轮减速机简介,ADC系列行星摆线针轮减速机特点,ADC系列行星摆线针轮减速机参数,ADC系列行星摆线...
GCWO100-GCWO250型低速级蜗
ZC1型双级蜗杆及齿轮-蜗杆减速器(JB-T7008-1993)简介,ZC1型双级蜗杆及齿轮-蜗杆减速器(JB-T700...
KW型锥面包络圆柱蜗杆减速机代号和标记方
本文详细解读JB/T 5559-91标准中KW型锥面包络圆柱蜗杆减速机的代号与标记方法。内容涵盖减速器代号组成,包括型号...
选择语言
×
Українська
Norsk
Cymraeg
Nederlands
日本語
Filipino
English
ລາວ
తెలుగు
Română
नेपाली
Français
Kreyòl Ayisyen
Čeština
Svenska
Русский
Malagasy
မြန်မာစာ
پښتو
ไทย
Հայերեն
简体中文
فارسی
繁體中文
Kurdî
Türkçe
हिन्दी
Български
Bahasa Melayu
Kiswahili
ଓଡ଼ିଆ
Íslenska
Gaeilge
ភាសាខ្មែរ
ગુજરાતી
Slovenčina
ಕನ್ನಡ
עברית
Magyar
मराठी
தமிழ்
Eesti
മലയാളം
Inuktitut
العربية
Deutsch
Slovenščina
বাংলা
اردو
Azərbaycan
Português
Samoan
Afrikaans
Tongan
Ελληνικά
Bahasa Indonesia
Español
Dansk
አማርኛ
ਪੰਜਾਬੀ
Shqip
Lietuvių
Italiano
Tiếng Việt
한국어
Malti
Suomi
Català
Hrvatski
Bosanski
Polski
Latviešu
Māori
Hello,欢迎来咨询~