您好,欢迎进入格鲁夫机械设备制造有限公司官网!
减速机|丝杆升降机|减速电机|行业专用减速机|减速机配件|减速机厂|丝杆升降机厂|转向器厂

联系我们

邮箱:china@gelufu.com
电话:0312-6784766
地址:莲池区焦庄乡 在线咨询

齿轮减速机

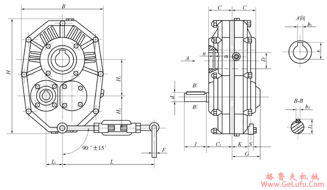
ZJY75、ZJY90、ZJY106、ZJY125、ZJY150、ZJY180、ZJY212、ZJY250、ZJY300、型轴装式圆柱齿轮减速机安装型式及尺寸JB/T 7007-1993

发布日期:2023-12-28 18:48 浏览次数:

ZJY75、ZJY90、ZJY106、ZJY125、ZJY150、ZJY180、ZJY212、ZJY250、ZJY300、型轴装式圆柱齿轮减速机安装型式及尺寸JB/T 7007-1993(图1)

Mobile:13331225020

ZJY型减速器的型式及主要尺寸 邮箱:china@gelufu.com

ZJY75、ZJY90、ZJY106、ZJY125、ZJY150、ZJY180、ZJY212、ZJY250、ZJY300、型轴装式圆柱齿轮减速机安装型式及尺寸JB/T 7007-1993(图2) 手机:13331225020

型号
D
d
l
b1
b2
t1
t2
B
H
H1
H2
ZJY75
35
16
40
10
6
38.3
18.2
187
260
72.8
70
ZJY90
38
19
40
10
6
41.3
21.7
212
287.2
86.7
74.5
ZJY106
45
24
50
14
8
48.8
27.2
240
325.6
101.6
79.4
ZJY125
55
28
60
16
8
59.3
31.2
270
379.3
120.3
100
ZJY150
60
38
80
18
10
64.4
41.3
330
446
145
110
ZJY180
70
42
110
20
12
74.9
45.3
396
530.3
174.3
131
ZJY212
85
48
110
22
14
90.4
51.8
477
624.7
204.7
157
ZJY250
100
55
110
28
16
106.4
59.3
560
727.6
240.6
188
ZJY300
120
65
140
32
18
127.4
69.4
660
839
288.6
210
型号
C
C1
F
G
L
L1
K
S
m
n
质量m/kg
ZJY75
51
53
12
51
280~380
35
30
14
1.7
6
14
ZJY90
59
61
12
58
280~380
39
35
14
1.7
6
21
ZJY106
67
69
12
76
280~380
44.6
44
14
1.7
6
27
ZJY125
76
78
16
86
410~540
53
52
17
2.2
6
40
ZJY150
85
86
16
101
410~540
65
57
17
2.2
8
67
ZJY180
100
102
22
116
580~710
80
67
24
2.7
8
110
ZJY212
120
121
22
132
580~710
95
84
24
2.7
8
170
ZJY250
137
138
28
150
580~750
112
96
30
2.7
11
250
ZJY300
164
166
28
168
580~750
130
111
30
3.2
11
380

Copyright © 2023-2025 格鲁夫 版权所有 备案号:冀ICP备19023093号-2

电子营业执照图标 电子营业执照