Mobile:13331225020
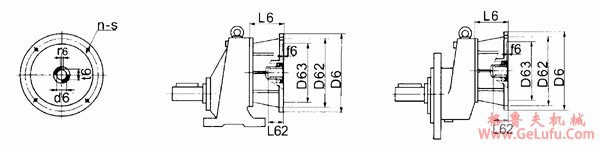
法兰联接尺寸 手机:13331225020
Mobile:13331225020
|
|
|
d6 |
t6 |
r6 |
f6 |
L6 |
L62 |
D6 |
D62 |
D63 |
|
C..31 |
P63 |
11 |
13 |
4 |
3.5 |
83 |
26 |
140 |
115 |
95 |
|
P71 |
14 |
16 |
5 |
3.5 |
83 |
33 |
160 |
130 |
110 | |
|
P80 |
19 |
22 |
6 |
4.5 |
103 |
43 |
200 |
165 |
130 | |
|
P90 |
24 |
27 |
8 |
4.5 |
103 |
53 |
200 |
165 |
130 | |
|
C..41
C..61 |
P63 |
11 |
13 |
4 |
3.5 |
83 |
26 |
140 |
115 |
95 |
|
P71 |
14 |
16 |
5 |
3.5 |
103 |
33 |
160 |
130 |
110 | |
|
P80 |
19 |
22 |
6 |
4.5 |
103 |
43 |
200 |
165 |
130 | |
|
P90 |
24 |
27 |
8 |
4.5 |
103 |
53 |
200 |
165 |
130 | |
|
P100 |
28 |
31 |
8 |
5 |
110 |
63 |
250 |
215 |
180 | |
|
P112 |
28 |
31 |
8 |
5 |
110 |
63 |
250 |
215 |
180 | |
|
C..71 |
P63 |
11 |
13 |
4 |
3.5 |
103 |
26 |
140 |
115 |
95 |
|
P71 |
14 |
16 |
5 |
3.5 |
103 |
33 |
160 |
130 |
110 | |
|
P80 |
19 |
22 |
6 |
4.5 |
110 |
43 |
200 |
165 |
130 | |
|
P90 |
24 |
27 |
8 |
4.5 |
110 |
53 |
200 |
165 |
130 | |
|
P100 |
28 |
31 |
8 |
5 |
110 |
63 |
250 |
215 |
180 | |
|
P112 |
28 |
31 |
8 |
5 |
110 |
63 |
250 |
215 |
180 | |
|
P132 |
38 |
41 |
10 |
5 |
133 |
85 |
300 |
265 |
230 | |
|
C..81 |
P80 |
19 |
22 |
6 |
4.5 |
110 |
43 |
200 |
165 |
130 |
|
P90 |
24 |
27 |
8 |
4.5 |
110 |
53 |
200 |
165 |
130 | |
|
P100 |
28 |
31 |
8 |
5 |
133 |
63 |
250 |
215 |
180 | |
|
P112 |
28 |
31 |
8 |
5 |
133 |
63 |
250 |
215 |
180 | |
|
P132 |
38 |
41 |
10 |
5 |
133 |
85 |
300 |
265 |
230 | |
|
P160 |
42 |
45 |
12 |
6 |
171 |
115 |
350 |
300 |
250 | |
|
C..91 |
P100 |
28 |
31 |
8 |
5 |
133 |
63 |
250 |
215 |
180 |
|
P112 |
28 |
31 |
8 |
5 |
133 |
63 |
250 |
215 |
180 | |
|
P132 |
38 |
41 |
10 |
5 |
171 |
85 |
300 |
265 |
230 | |
|
P160 |
42 |
45 |
12 |
6 |
171 |
115 |
350 |
300 |
250 | |
|
P180 |
48 |
52 |
14 |
6 |
171 |
115 |
350 |
300 |
250 | |
|
C..101 |
P100 |
28 |
31 |
8 |
5 |
171 |
63 |
250 |
215 |
180 |
|
P112 |
28 |
31 |
8 |
5 |
171 |
63 |
250 |
215 |
180 | |
|
P132 |
38 |
41 |
10 |
5 |
171 |
85 |
300 |
265 |
230 | |
|
P160 |
42 |
45 |
12 |
6 |
171 |
115 |
350 |
300 |
250 | |
|
P180 |
48 |
52 |
14 |
6 |
171 |
115 |
350 |
300 |
250 | |
|
P200 |
55 |
59 |
16 |
7 |
171 |
115 |
400 |
350 |
300 | |
|
P225 |
60 |
64 |
18 |
7 |
215 |
145 |
450 |
400 |
350 | |
|
C..121 |
P100 |
28 |
31 |
8 |
5 |
150 |
63 |
250 |
215 |
180 |
|
P112 |
28 |
31 |
8 |
5 |
150 |
63 |
250 |
215 |
180 | |
|
P132 |
38 |
41 |
10 |
5 |
150 |
85 |
300 |
265 |
230 | |
|
P160 |
42 |
45 |
12 |
6 |
215 |
115 |
350 |
300 |
250 | |
|
P180 |
48 |
52 |
14 |
6 |
215 |
115 |
350 |
300 |
250 | |
|
P200 |
55 |
59 |
16 |
7 |
215 |
115 |
400 |
350 |
300 | |
|
P225 |
60 |
64 |
18 |
7 |
215 |
145 |
450 |
400 |
350 | |
|
C..151 |
P132 |
38 |
41 |
10 |
5 |
150 |
85 |
300 |
265 |
230 |
|
P160 |
42 |
45 |
12 |
6 |
215 |
115 |
350 |
300 |
250 | |
|
P180 |
48 |
52 |
14 |
6 |
215 |
115 |
350 |
300 |
250 | |
|
P200 |
55 |
59 |
16 |
7 |
215 |
115 |
400 |
350 |
300 | |
|
P225 |
60 |
64 |
18 |
7 |
215 |
145 |
450 |
400 |
350 |
WX:grove_company