gelufu.com.cn
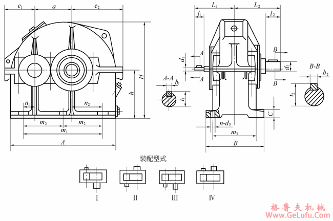
ZDS型少齿数渐开线圆柱齿轮减速机型式及主要尺寸JB/T5560-1991
格鲁夫减速机
格鲁夫
|
规格 |
A |
B |
H≈ |
a |
i=4~5.6 |
i=6.3~10 |
i=11.2~16 |
i=18~31.5 | ||||||||||||||||
|
d1
(m6) |
b1 |
t1 |
l1 |
L1 |
d1
(m6) |
b1 |
t1 |
l1 |
L1 |
d1
(m6) |
b1 |
t1 |
l1 |
L1 |
d1
(m6) |
b1 |
t1 |
l1 |
L1 | |||||
|
80 |
230 |
150 |
242 |
80 |
18 |
6 |
20.5 |
28 |
126 |
14 |
5 |
16 |
25 |
125 |
10 |
3 |
11.2 |
20 |
121 |
10 |
3 |
11.2 |
20 |
121 |
|
100 |
281 |
165 |
284 |
100 |
22 |
6 |
24.5 |
36 |
140 |
18 |
6 |
20.5 |
28 |
131 |
14 |
5 |
16 |
25 |
127 |
10 |
3 |
11.2 |
20 |
123 |
|
125 |
345 |
190 |
339 |
125 |
28 |
8 |
31 |
42 |
170 |
28 |
8 |
31 |
42 |
170 |
18 |
6 |
20.5 |
28 |
156 |
18 |
6 |
20.5 |
28 |
156 |
|
160 |
442 |
260 |
404 |
160 |
35 |
10 |
38 |
58 |
195 |
28 |
8 |
31 |
42 |
179 |
22 |
6 |
24.5 |
36 |
173 |
18 |
5 |
18 |
28 |
165 |
|
200 |
540 |
300 |
500 |
200 |
42 |
12 |
45 |
82 |
245 |
32 |
10 |
35 |
58 |
215 |
24 |
8 |
27 |
36 |
193 |
18 |
6 |
20.5 |
28 |
189 |
|
250 |
652 |
340 |
623 |
250 |
60 |
18 |
64 |
105 |
304 |
50 |
14 |
53.5 |
82 |
270 |
30 |
8 |
33 |
58 |
246 |
28 |
8 |
31 |
42 |
230 |
|
280 |
750 |
380 |
685 |
280 |
65 |
18 |
69 |
105 |
322 |
50 |
14 |
53.5 |
82 |
294 |
35 |
10 |
38 |
58 |
265 |
28 |
8 |
31 |
42 |
240 |
|
315 |
800 |
450 |
778 |
315 |
70 |
20 |
74.5 |
105 |
350 |
55 |
16 |
59 |
82 |
320 |
40 |
12 |
43 |
82 |
320 |
30 |
8 |
33 |
58 |
290 |
|
355 |
936 |
496 |
878 |
355 |
80 |
22 |
85 |
130 |
419 |
65 |
18 |
69 |
105 |
380 |
45 |
14 |
48.5 |
82 |
346 |
35 |
10 |
38 |
58 |
332 |
|
400 |
1028 |
530 |
984 |
400 |
90 |
25 |
95 |
130 |
426 |
70 |
20 |
74.5 |
105 |
392 |
50 |
14 |
53.5 |
82 |
362 |
40 |
12 |
43 |
82 |
356 |
|
450 |
1110 |
580 |
1080 |
450 |
100 |
28 |
106 |
165 |
490 |
80 |
22 |
85 |
130 |
450 |
55 |
16 |
59 |
82 |
400 |
45 |
14 |
48.5 |
82 |
390 |
|
500 |
1255 |
632 |
1195 |
500 |
110 |
28 |
116 |
165 |
506 |
90 |
25 |
95 |
130 |
475 |
60 |
18 |
64 |
105 |
445 |
50 |
14 |
53.5 |
82 |
415 |
|
560 |
1400 |
695 |
1345 |
560 |
140 |
36 |
148 |
180 |
548 |
110 |
28 |
116 |
165 |
503 |
80 |
22 |
85 |
130 |
463 |
65 |
18 |
69 |
105 |
448 |
|
规格 |
d2
(m6) |
b2 |
t2 |
l2 |
L2 |
C |
m1 |
m2 |
m3 |
n1 |
n2 |
e1 |
e2 |
h |
地脚螺栓孔 |
质量
/kg | |
|
d3 |
n | ||||||||||||||||
|
80 |
28 |
8 |
31 |
42 |
134 |
12 |
175 |
― |
120 |
30 |
65 |
82 |
131 |
125 |
12 |
4 |
30 |
|
100 |
38 |
10 |
41 |
58 |
158 |
16 |
215 |
― |
126 |
32 |
83 |
97 |
141 |
140 |
14.5 |
36.2 | |
|
125 |
48 |
14 |
51.5 |
82 |
208 |
18 |
270 |
― |
155 |
37 |
108 |
105 |
180 |
160 |
14.5 |
60.8 | |
|
160 |
65 |
18 |
69 |
105 |
267 |
20 |
332 |
― |
200 |
50 |
122 |
143 |
227 |
200 |
18.5 |
103 | |
|
200 |
75 |
20 |
79.5 |
105 |
280 |
25 |
420 |
― |
240 |
58 |
162 |
160 |
266 |
250 |
25 |
202 | |
|
250 |
90 |
25 |
95 |
130 |
353 |
30 |
500 |
250 |
270 |
70 |
180 |
202 |
306 |
315 |
28 |
6 |
329 |
|
280 |
105 |
28 |
111 |
165 |
413 |
35 |
610 |
305 |
300 |
75 |
255 |
205 |
375 |
355 |
28 |
500 | |
|
315 |
120 |
32 |
127 |
165 |
419 |
40 |
650 |
325 |
350 |
75 |
260 |
216 |
405 |
400 |
35 |
612 | |
|
355 |
130 |
36 |
138 |
200 |
486 |
50 |
740 |
370 |
376 |
90 |
295 |
240 |
451 |
450 |
35 |
910 | |
|
400 |
150 |
36 |
158 |
200 |
500 |
50 |
836 |
418 |
430 |
106 |
330 |
214 |
502 |
500 |
42 |
1150 | |
|
450 |
170 |
40 |
179 |
240 |
565 |
55 |
890 |
460 |
480 |
106 |
350 |
290 |
570 |
560 |
42 |
1460 | |
|
500 |
190 |
45 |
200 |
280 |
640 |
60 |
1030 |
515 |
490 |
112 |
418 |
290 |
590 |
630 |
42 |
1850 | |
|
560 |
200 |
45 |
210 |
280 |
642 |
65 |
1140 |
570 |
530 |
130 |
450 |
335 |
695 |
710 |
42 | <, ;, TD width=32 onselect="null">
||