您好,欢迎进入格鲁夫机械设备制造有限公司官网!
减速机|丝杆升降机|减速电机|行业专用减速机|减速机配件|减速机厂|丝杆升降机厂|转向器厂

联系我们

邮箱:china@gelufu.com
电话:0312-6784766
地址:莲池区焦庄乡 在线咨询

齿轮减速机

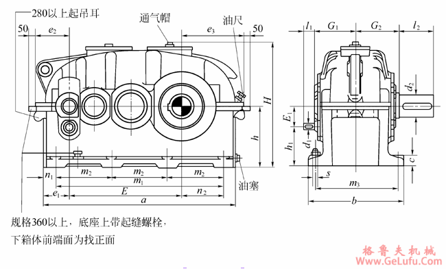
SVNB180、SVNB200、SVNB225、SVNB250、SVNB280、SVNB320、SVNB360、SVNB400、SVNB500、SVNB560、SVNB630、SVNB710、SVNB800型圆柱齿轮减速机外形及安装尺寸

发布日期:2023-12-28 18:45 浏览次数:

SVNB180、SVNB200、SVNB225、SVNB250、SVNB280、SVNB320、SVNB360、SVNB400、SVNB500、SVNB560、SVNB630、SVNB710、SVNB800型圆柱齿轮减速机外形及安装尺寸(图1) QQ:20275456

SVNB型圆柱齿轮减速机外形及安装尺寸

www.gelufu.com

SVNB180、SVNB200、SVNB225、SVNB250、SVNB280、SVNB320、SVNB360、SVNB400、SVNB500、SVNB560、SVNB630、SVNB710、SVNB800型圆柱齿轮减速机外形及安装尺寸(图2)

传真:0312-6784733

SVNB型减速器外形尺寸 (mm)
型号
规格
a
b
c
轴 端1
E
E1
e1
d1
l1
d1
l1
d1
l1
d2
l2
iN=112~280
iN=315~500
180
200
225
665
745
840
320
355
390
32
40
40
16k6
19k6
22k6
30
35
35
14k6
16k6
19k6
30
30
35
-
-
-
-
-
-
85m6
95m6
100m6
140
160
180
395
440
497
63
70
80
85
97.5
110.5
250
280
320
930
1025
1160
450
500
570
50
50
63
24k6
28m6
32m6
40
50
60
22k6
24k6
28m6
35
40
50
-
-
-
-
-
-
110n6
130n6
140n6
180
210
240
555
620
705
90
100
112
120
120
140
iN=100~140
iN=160~250
iN=280~500
360
400
450
1280
1420
1610
600
690
750
63
80
80
38m6
42m6
48m6
60
70
80
32m6
38m6
42m6
60
60
70
28m6
32m6
38m6
50
60
60
170n6
180n6
210n6
270
310
350
790
880
995
125
140
160
140
155
175
iN=100~160
iN=180~250
iN=280~500
500
560
630
710
800
1790
2010
2260
2540
2850
830
910
1030
1160
1320
100
100
125
125
160
48m6
60m6
65m6
75m6
80m6
80
105
105
120
140
42m6
55m6
60m6
65m6
70m6
70
90
105
105
120
38m6
48m6
48m6
55m6
65m6
60
80
80
90
105
240n6
270n6
300n6
340n6
390n6
400
450
500
550
650
1110
1240
1400
1570
1760
180
200
225
250
280
200
235
255
295
335
型号
规格
e2
e3
G1
G2
h1
h2
H≈
m1
m2
m3
n1
n2
地脚螺栓
平均质量
(kg)
最大油量
(L)
s
数量
180
200
225
109
128
141
209
238
263
145
160
170
155
170
190
137
155
170
200
225
250
415
462
511
570
630
705
190
210
235
275
300
335
47.5
57.5
67.5
137.5
150
165
M16
M20
M20
8
8
8
205
290
400
16
21
29
250
280
320
158
160
189
293
325
364
190
210
230
215
240
270
190
215
243
280
315
355
570
644
719
810
855
960
270
285
320
380
430
490
60
85
100
195
200
215
M24
M24
M30
8
8
8
550
760
1100
40
58
82
360
400
450
188
215
240
398
445
505
255
290
320
290
320
360
275
310
340
400
450
500
806
906
1006
1080
1200
1350
360
400
450
520
590
650
100
110
130
250
275
310
M30
M36
M36
8
8
8
1450
2000
2700
140
185
260
500
560
630
710
800
277
324
344
400
448
557
624
694
780
868
355
400
450
500
575
400
440
500
560
645
380
430
485
550
620
560
630
710
800
900
1121
1261
1406
1581
1783
1500
1680
1890
2130
2400
500
560
630
710
800
710
790
890
1000
1140
145
165
185
205
225
335
370
420
470
530
M42
M42
M48
M48
M56
8
8
8
8
8
3900
5200
7300
11000
14000
360
530
570
900
1200
注: 带平健的轴端按GB1096-79,A型。

Copyright © 2023-2025 格鲁夫 版权所有 备案号:冀ICP备19023093号-2

电子营业执照图标 电子营业执照