您好,欢迎进入格鲁夫机械设备制造有限公司官网!
减速机|丝杆升降机|减速电机|行业专用减速机|减速机配件|减速机厂|丝杆升降机厂|转向器厂

联系我们

邮箱:china@gelufu.com
电话:0312-6784766
在线咨询

摆线针轮减速机

BWE1512、BWED1512、BWE1812、BWED1812、BWE2212、BWED2212、BWE2215、BWED2215、BWE2715、BWED2715、BWE2718、BWED2718、BWE3318、BWED3318、BWE3322、BWED3322、BWE3922、BWED3922、BWE4527、BWED4527、BWE5527、BWED5527上海变速机械厂标准行星摆线针

发布日期:2023-12-28 18:39 浏览次数:

BWE1512、BWED1512、BWE1812、BWED1812、BWE2212、BWED2212、BWE2215、BWED2215、BWE2715、BWED2715、BWE2718、BWED2718、BWE3318、BWED3318、BWE3322、BWED3322、BWE3922、BWED3922、BWE4527、BWED4527、BWE5527、BWED5527上海变速机械厂标准行星摆线针(图1)

gelufu

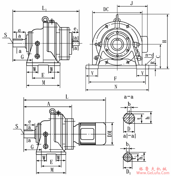
BWE、BWED型摆线针轮减速机外形及安装尺寸 电话:0312-6784766

BWE1512、BWED1512、BWE1812、BWED1812、BWE2212、BWED2212、BWE2215、BWED2215、BWE2715、BWED2715、BWE2718、BWED2718、BWE3318、BWED3318、BWE3322、BWED3322、BWE3922、BWED3922、BWE4527、BWED4527、BWE5527、BWED5527上海变速机械厂标准行星摆线针(图2) 电话:0312-6784766

系列
机座号
外形尺寸
安装尺寸
输出轴尺寸
输入轴尺寸
H
M
N
DC
A
LI
C
G
R
E
F
V
n-d
D
e
b
h
s
D1
e1
b1
h1
B
1512
250
160
250
220
267
316
120
118
18
120
210
50
4-13
35
56
15
38.5
M10
5
22
15
17
1812
306
230
290
240
315
364
140
125
20
180
240
60
4-15
45
71
15
48.5
M10
5
22
15
17
2212
355
280
350
300
367
416
160
163
20
220
290
75
4-17
55
81
15
59
M10
5
22
15
17
2215
355
280
350
300
376
445
160
163
20
220
290
75
4-17
55
81
18
59
M10
6
35
18
20.5
2715
425
380
400
340
463
532
200
204
25
320
240
80
4-21
70
113
18
74.5
M12
6
35
18
20.5
2718
425
380
400
340
485
560
200
204
25
320
340
80
4-21
70
113
22
74.5
M12
6
40
22
24.5
3318
495
440
470
400
544
619
240
160
30
380
420
80
4-22
90
119
22
95
M12
6
40
22
24.5
3322
495
440
470
400
599
655
240
160
30
380
420
80
4-22
90
119
30
95
M12
8
55
30
33
3922
605
520
560
500
646
742
280
201
35
440
500
90
4-26
100
138
30
106
M20
8
55
30
33
4527
684
600
690
570
737
873
325
245
45
500
630
105
6-28
110
165
35
116
M20
10
62
35
38.5
5527
878
810
880
700
963
1075
420
322
50
660
800
140
6-39
130
200
35
137
M30
10
62
35
38.5

Copyright © 2023-2025 格鲁夫 版权所有 备案号:冀ICP备19023093号-2

电子营业执照图标 电子营业执照
选择语言
Hello,欢迎来咨询~